LEMON Manuals: Even more car manuals for everyone: 1960-2025
Home >> Kia >> 2007 >> Sorento Base, A5SR1 >> Repair and Diagnosis >> Engine Performance >> Engine Control Systems >> Gasoline Engine Control System >> Engine Control Module (ECM) >> Circuit Diagram
April 5, 2026: LEMON Manuals is launched! Read the announcement.

Circuit Diagram

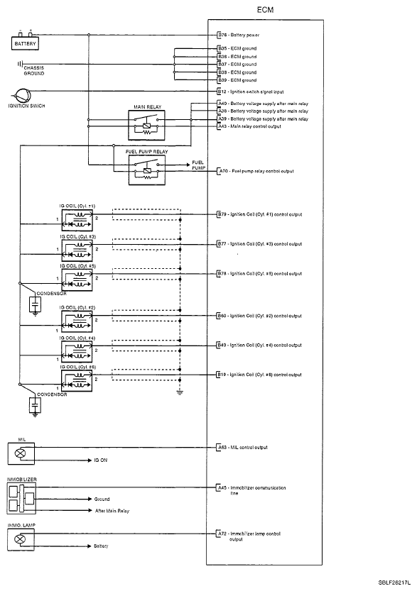
Fig 1: Gasoline Engine Control System Circuit Diagram (1 Of 5)
G05118297Courtesy of KIA MOTORS AMERICA, INC.
Fig 2: Gasoline Engine Control System Circuit Diagram (2 Of 5)
G05118298Courtesy of KIA MOTORS AMERICA, INC.
Fig 3: Gasoline Engine Control System Circuit Diagram (3 Of 5)
G05118299Courtesy of KIA MOTORS AMERICA, INC.
Fig 4: Gasoline Engine Control System Circuit Diagram (4 Of 5)
G05118300Courtesy of KIA MOTORS AMERICA, INC.
Fig 5: Gasoline Engine Control System Circuit Diagram (5 Of 5)
G05118301Courtesy of KIA MOTORS AMERICA, INC.