LEMON Manuals: Even more car manuals for everyone: 1960-2025
Home >> Kia >> 2008 >> Optima L4-2.4L >> Repair and Diagnosis >> Powertrain Management >> Computers and Control Systems >> Engine Control Module >> Diagrams >> Electrical Diagrams
April 5, 2026: LEMON Manuals is launched! Read the announcement.

Electrical Diagrams





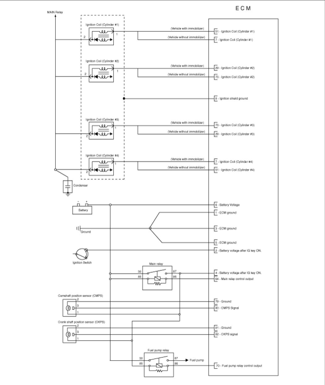
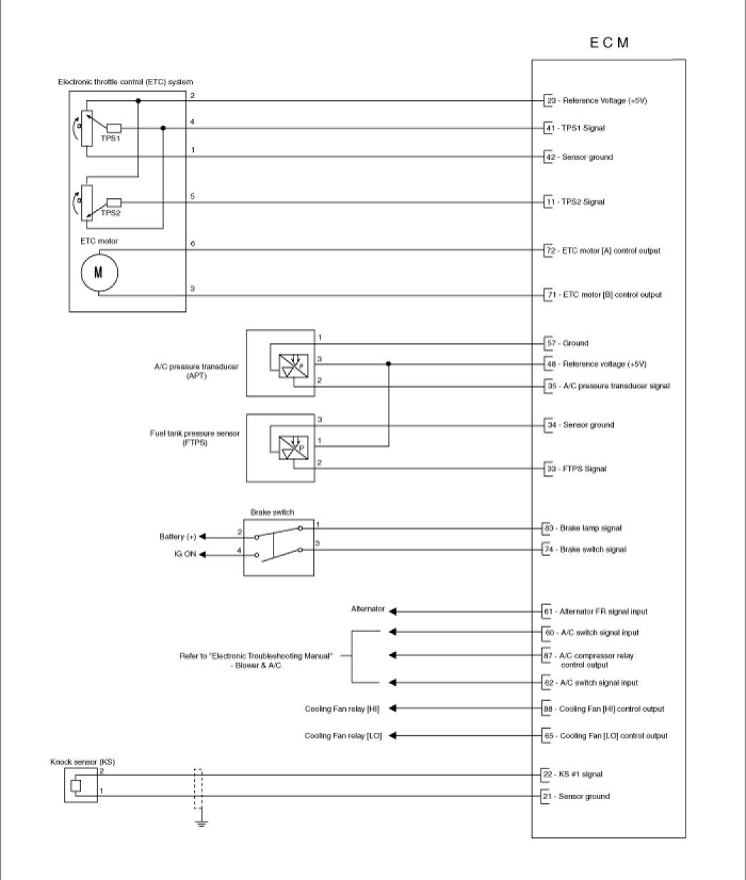
CIRCUIT DIAGRAM