LEMON Manuals: Even more car manuals for everyone: 1960-2025
Home >> Kia >> 2009 >> Amanti V6-3.8L >> Repair and Diagnosis >> Powertrain Management >> Computers and Control Systems >> Relays and Modules - Computers and Control Systems >> Engine Control Module >> Diagrams >> Electrical Diagrams
April 5, 2026: LEMON Manuals is launched! Read the announcement.

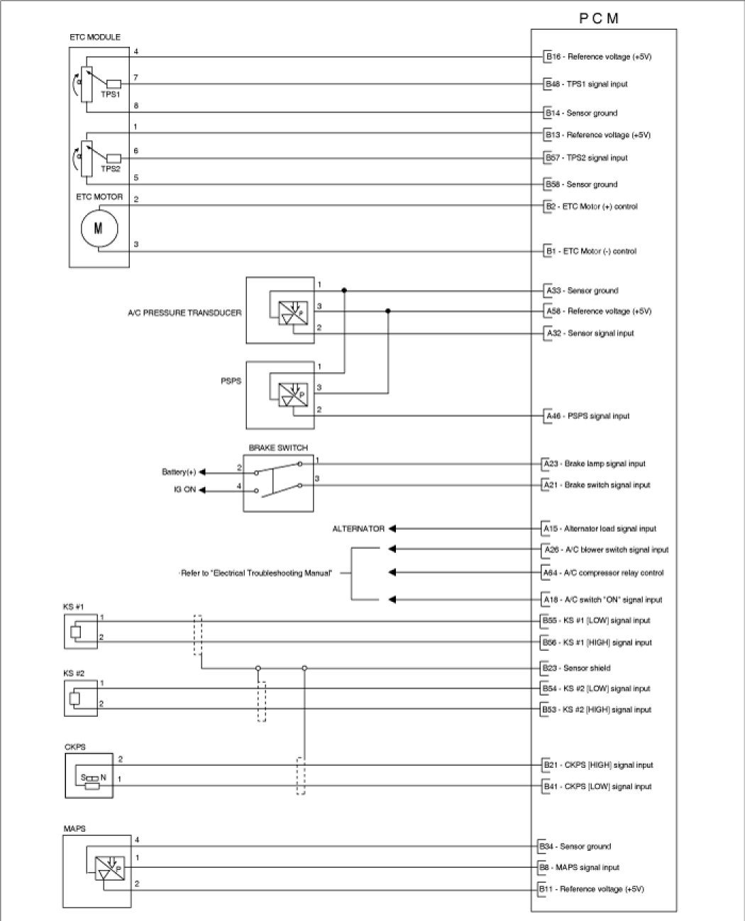
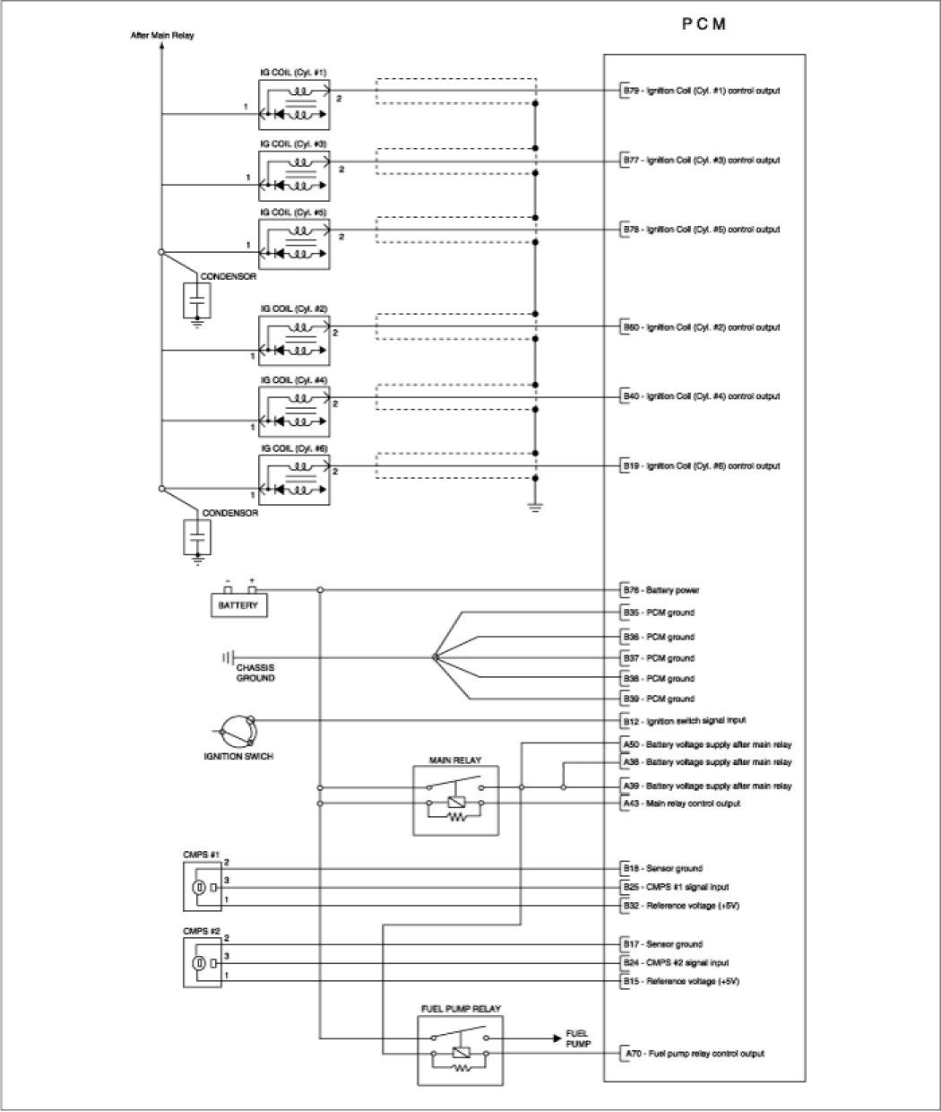
Electrical Diagrams









CIRCUIT DIAGRAM