LEMON Manuals: Even more car manuals for everyone: 1960-2025
Home >> Kia >> 2009 >> Sedona Base >> Repair and Diagnosis >> Body & Frame >> Door Locks >> Immobilizer Control System >> DTC P1675 Transponder Programming Error >> DTC Detecting Condition
April 5, 2026: LEMON Manuals is launched! Read the announcement.

DTC P1675 Transponder Programming Error: DTC Detecting Condition

DTC DETECTING CONDITION

Item Detecting Condition Possible Cause
DTC Strategy  
  • Invalid transponder.

    *invalid characteristic data.

    *No transponder or more than two transponder is detected by coil antenna

Enable Conditions
  • IG ON
Threshold value  
Detecting time  
FAIL SAFE  
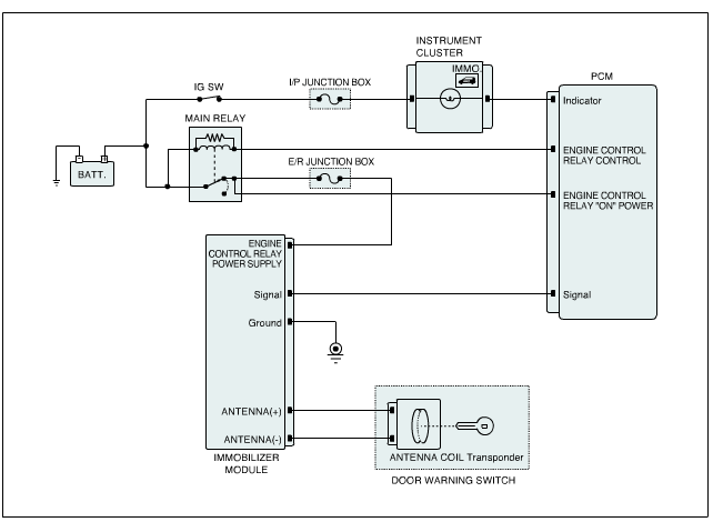
Fig 1: View Of Immobilizer System Circuit Diagram
G00488747Courtesy of KIA MOTORS AMERICA, INC.
Fig 2: View Of Connectors & Terminals
G00488748Courtesy of KIA MOTORS AMERICA, INC.