LEMON Manuals: Even more car manuals for everyone: 1960-2025
Home >> Kia >> 2009 >> Sedona Base >> Repair and Diagnosis >> Body & Frame >> Windows >> Interior >> Console >> Replacement >> Floor Console Replacement
April 5, 2026: LEMON Manuals is launched! Read the announcement.

Floor Console Replacement

NOTE:
  • When prying with a flat-tipped screwdriver, wrap it with protective tape, and apply protective tape around the related parts, to prevent damage.
  • Put on gloves to protect your hands.
  1. After the center cover is removed (A), disconnect the connector (B).
    Fig 1: Identifying Center Cover And Connector
    G04884069Courtesy of KIA MOTORS AMERICA, INC.
  2. Remove the following items.
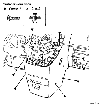
  3. After loosening the console mounting screw, remove the front console (A).
    Fig 2: Identifying Front Console And Screw Locations
    G04884070Courtesy of KIA MOTORS AMERICA, INC.
  4. Installation is the reverse of removal.