LEMON Manuals: Even more car manuals for everyone: 1960-2025
Home >> Kia >> 2009 >> Sorento Base, A5SR1 >> Repair and Diagnosis >> Restraints >> Restraints Control Systems >> SRS Control Module (Air Bag) >> Schematic Diagrams >> Circuit Diagram
April 5, 2026: LEMON Manuals is launched! Read the announcement.

Circuit Diagram

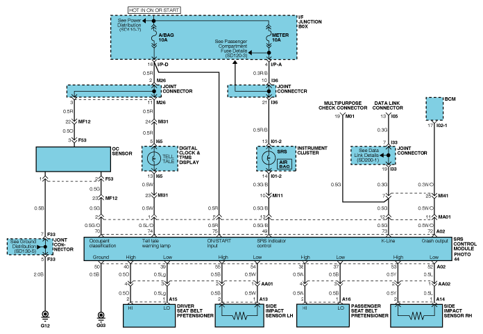
Fig 1: Occupant Classification Sensor - Circuit Diagram (1 Of 2)
G06409883Courtesy of KIA MOTORS AMERICA, INC.
Fig 2: Occupant Classification Sensor - Circuit Diagram (2 Of 2)
G06409884Courtesy of KIA MOTORS AMERICA, INC.