LEMON Manuals: Even more car manuals for everyone: 1960-2025
Home >> Kia >> 2009 >> Spectra EX, 2.0 2, Automatic >> Repair and Diagnosis >> Restraints >> Restraints Control Systems >> Supplement Restraint System Control Module (SRSCM) - Except With OCS >> Schematic Diagrams >> Circuit Diagram (1)
April 5, 2026: LEMON Manuals is launched! Read the announcement.

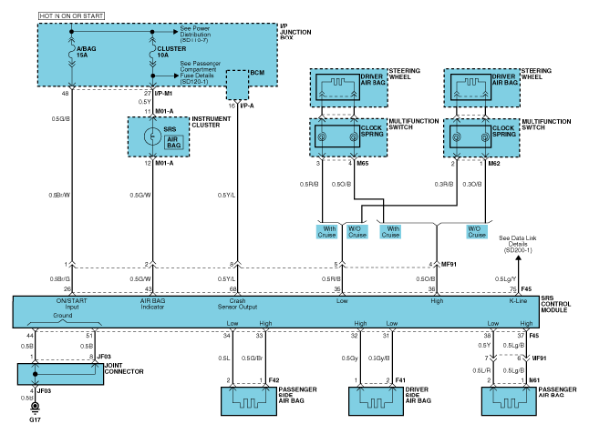
Circuit Diagram (1)

Fig 1: Instrument Cluster And Steering Wheel Circuit Diagram
G06400532Courtesy of KIA MOTORS AMERICA, INC.