LEMON Manuals: Even more car manuals for everyone: 1960-2025
Home >> Kia >> 2010 >> Optima L4-2.4L >> Repair and Diagnosis >> Diagrams >> Connector Views >> Engine Control Module
April 5, 2026: LEMON Manuals is launched! Read the announcement.

Engine Control Module





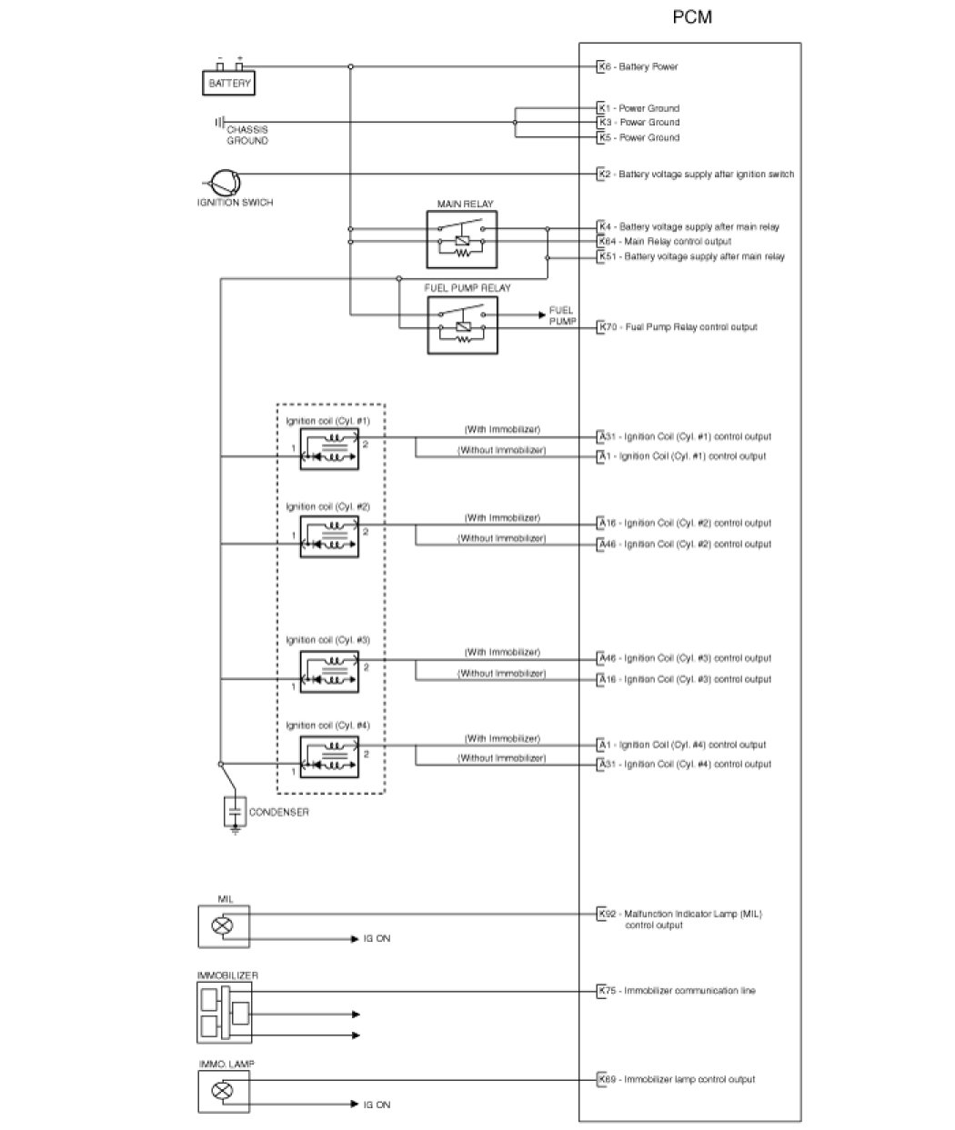
Powertrain control module (PCM)

1. PCM harness connector




2. PCM terminal function
Connector [C01-K]













Connector [C01-A]









3. Input / output signal
Connector [C01-K]





















Connector [C01-A]










Circuit diagram