LEMON Manuals: Even more car manuals for everyone: 1960-2025
Home >> Kia >> 2010 >> Rio Base >> Repair and Diagnosis (Single Page) >> Accessories & Equipment >> Communication Devices >> BCM (Body Control Module) >> Body Control Module >> Schematic Diagrams - Revised >> Circuit Diagram >> Notes
April 5, 2026: LEMON Manuals is launched! Read the announcement.

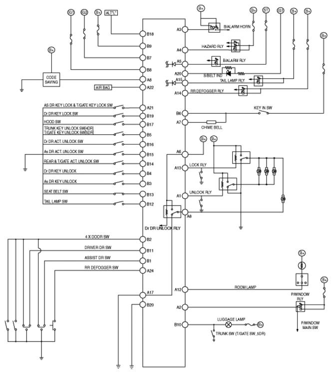
Circuit Diagram: Notes

Fig 1: BCM Circuit Diagram
G06829641Courtesy of KIA MOTORS AMERICA, INC.