LEMON Manuals: Even more car manuals for everyone: 1960-2025
Home >> Kia >> 2010 >> Sedona Base >> Repair and Diagnosis >> Electrical >> Charging Systems >> Charging System >> Alternator >> Components and Components Location >> Engine Electrical System >> Component
April 5, 2026: LEMON Manuals is launched! Read the announcement.

Engine Electrical System: Component

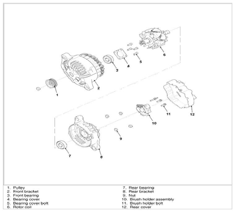
Fig 1: Identifying Alternator Components
G06837963Courtesy of KIA MOTORS AMERICA, INC.