LEMON Manuals: Even more car manuals for everyone: 1960-2025
Home >> Kia >> 2011 >> Rio L4-1.6L >> Repair and Diagnosis >> Diagrams >> Electrical Diagrams >> Powertrain Management >> Body Control Module
April 5, 2026: LEMON Manuals is launched! Read the announcement.

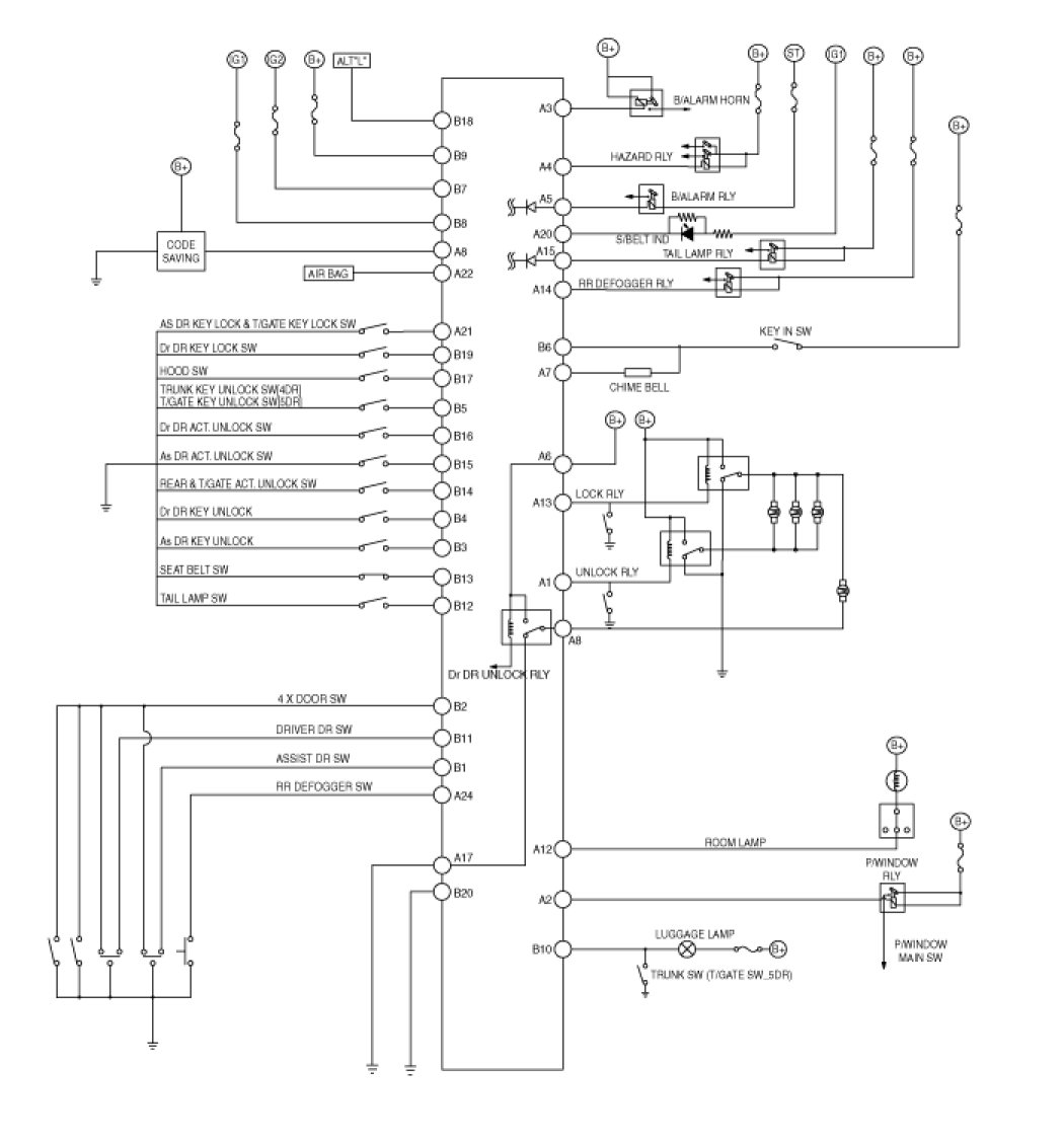
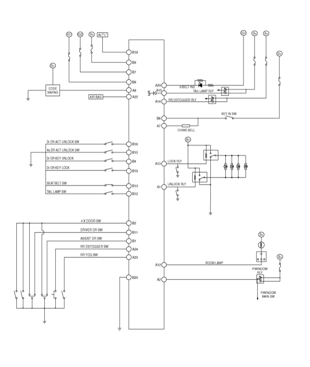
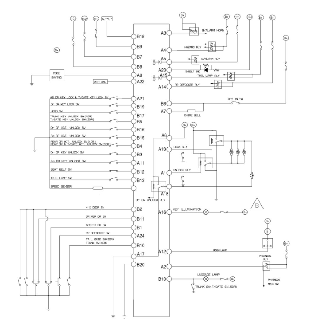
Body Control Module





CIRCUIT DIAGRAM

BCM & RECEIVER




BCM




BCM CONNECTOR TERMINALS










Circuit Diagram




BCM




BCM Connector Terminals