LEMON Manuals: Even more car manuals for everyone: 1960-2025
Home >> Kia >> 2011 >> Sorento 2WD V6-3.5L >> Repair and Diagnosis >> Diagrams >> Electrical Diagrams >> Starting System >> Keyless Starting System >> Keyless Start Control Module >> Button Engine Start System
April 5, 2026: LEMON Manuals is launched! Read the announcement.

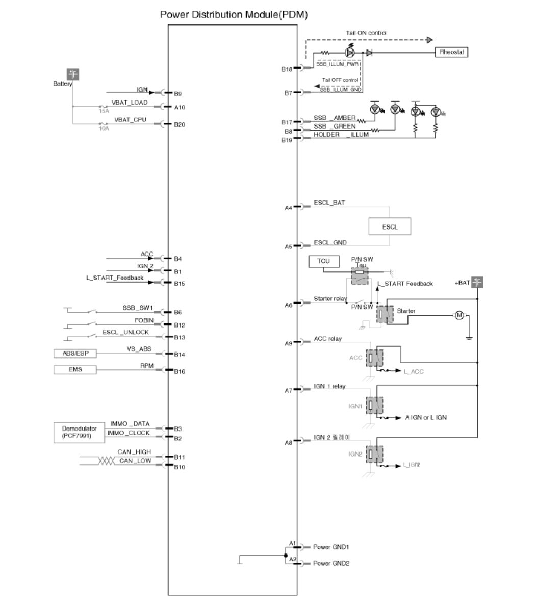
Button Engine Start System





System circuit diagram