LEMON Manuals: Even more car manuals for everyone: 1960-2025
Home >> Kia >> 2011 >> Sorento 2WD V6-3.5L >> Repair and Diagnosis >> Powertrain Management >> Computers and Control Systems >> Relays and Modules - Computers and Control Systems >> Body Control Module >> Description and Operation >> Part 2 of 2
April 5, 2026: LEMON Manuals is launched! Read the announcement.

Part 2 of 2

Door Lock/unlock Control

1. Door lock/unlock priority
1 Crash unlock
2 Auto door lock/unlock (by shift lever change)
3 IGN key reminder unlock (passive key reminder)
4 Central door lock/unlock (2-Turn unlock)
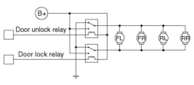
2. Door lock/unlock relay control
(1) NON 2-TURN UNLOCK









(2) 2-Turn Unlock Specification (North America)









3. Determining key lock/unlock input
(1) Determine outside door key lock / unlock Input following ensuring that lock / unlock switch is mechanically interlocking with the function.
(2) Driver door key lock
A. Driver door unlock switch OFF being checked within 3 seconds from Driver door key lock switch = ON, carry on Driver door key lock switch input.
B. If Driver door unlock switch is ON for over 3 seconds, Driver door key lock switch input is ignored.
(3) Driver door key unlock
A. Driver door unlock switch OFF being checked within 3 seconds from Driver door key lock switch = ON, carry on Driver door key unlock switch input.
B. If Driver door unlock switch is ON for over 3 seconds, Driver door key unlock switch input is ignored.
(4) Driver door key lock switch input is ignored if key IN & IGN1 is ON.




4. Central door lock/unlock
(1) Lock commend condition
A. TX lock (SMK_passive_lock is inputting with all doors closed.)
B. Driver door key lock switch = ON (excluding key IN & IGN1 ON state.)
C. All door lock requirements are met based on AUTOlock_TIMER1 / AUTOlock_TIMER2
D. Power window lock switch = ON
(2) Unlock commend condition
A. TX unlock Input
B. Driver door keyunlockswitch= ON
C. Power window unlock switch= ON (excluding ARM state)
(3) Central lock output is ON for T1 (0.5sec) when inputting lock commend.
(4) Central unlock output is ON for T1 (0.5sec), when inputting unlock commend.
(5) Lock/unlock by SAFETY KNOB is not interlocking. (mechanical operation)
(6) No malfunctioning should be in the presence when changing Battery. (in key In switch ON state, also)
(7) No pressure lower than 60msec (driver door key lock switch / Driver door key unlock switch)
(8) Immediately turn OFF the output if reverse output is required during the output, and operate the reverse output after 100ms. However, in case that another output is required during the delay of 100ms, operate the most recently required output.
(9) If the condition of Central lock output and Central unlock output is simultaneously developed, lock output is prior to unlock output.
(10) Central lock / unlock output is consistently operated regardless of knob Input condition when inputting lock / unlock.
(11) When re-inputting lock (unlock) commend during lock (unlock) output by lock (unlock) commend, previous output is maintained.
(12) When the input is simultaneously operated by key / TX / driver door key lock switch, priority is to be TX > key > driver door key lock switch in order. (This condition is prior to (9) above.)




T1 : 0.5±0.1sec, T2 : Max 3sec
5. 2-TURN UNLOCK (NORTH AMERICA )
(1) If Driver door unlock switch is Unlocked within 3 seconds from Driver door key unlock switch is OFF ON(Driver door unlock switch is mechanically Unlocked and IPM output is not operated), and Driver door key unlock switch is OFF -> ON in T1, turn Door unlock relay and Driver unlock relay Output for T2.
(2) If Driver door unlock switch is Unlocked within 3 seconds from Driver door key unlock switch is OFF -> ON (Driver door unlock switch is mechanically Unlocked and IPM output is not operated), and TUNLOCK signal is received within T1, turn ON Door unlock relay and Driver unlock relay Output for T2.
(3) Turn ON Driver unlock relay Output for T2 when receiving TUNLOCK signal. However, if TUNLOCK signal is received within T1, turn ON Door unlock relay and Driver unlock relay Output for T2.
(4) If Driver door unlock switch is Unlocked within 3 seconds from Driver door key unlock switch is OFF->ON in T1 following the receipt of TUNLOCK signal, (Driver door unlock switch is mechanically Unlocked and IPM output is not operated), turn ON Door unlock relay and Driver unlock relay Output for T2.
(5) It is considered to be the same TX not with standing receiving different TX signal registered in T1.
(6) Door lock relay, Door unlock relay, and Driver unlock relay Output by Driver door unlock switch change is not operated.




T1 : 4±1 sec, T2 : 0.5 ± 0.1 sec T3 : Max 3sec
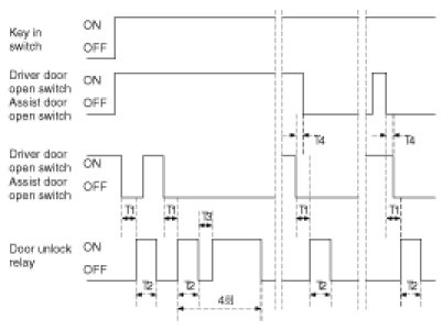
6. IGN key reminder
(1) This function is disabled in vehicle speed over 3km/h. (determined by 3km Signal)
(2) Unlock condition: ALL door Unlock is operated for 1 sec of the following is met.
A. Condition 1
1) IGN key ON & Driver's seat door = Open & Driver's seat door Unlock switch = LOCK
2) IGN key ON & Passenger seat door = Open & passenger seat door Unlock switch = LOCK
B. Condition 2
1) Driver's seat door is Open -> Close within 0.5s from door Unlock switch is Unlocked -> locked with IGN key ON.
2) Passenger seat door is Open -> Close within 0.5s from door Unlock switch is Unlocked -> Locked with IGN key ON
C. Condition 3
1) Driver's seat door unlock switch is unlocked -> locked within 0.5s from Driver's seat door is Open -> Close with IGN key ON.
2) Passenger seat door unlock switch is Unlocked -> Locked within 0.5s from Passenger seat door is Open -> Close with IGN key ON.
(3) Unlock retry condition: If Lock condition is maintained regardless of Unlock output for 1 second by condition 1, the maximum of 3 times (excluding the 1 second output) of Unlock output is operated. (1s cycle: 0.5s ON/OFF)
(4) DEAD LOCK Applied Region :
A. Dead Unlock output is operated for 0.5 second and then all door unlock signal output is ON for a second following the delay of 200msec , if Unlock condition (1) is met.
B. Dead Unlock output is operated for 0.5 second and the maximum of 3 times of 200msec all door unlock output is operated following the delay of 200msec, if unlock retry condition (2) is met. (1s cycle: 0.5s ON/OFF)
(5) If door is locked by power window lock switch with IGN key ON after driver door or assist door open, IGN key reminder function is performed.
(6) Unlock output is operated despite that unlock condition is not maintained for 0.5 s from the condition is met. However, it is not operated if IGN key is out after 0.5 sec from door lock switch is met with the condition by change from unlock -> lock.
(7) Passenger seat action is prior to that of driver's seat if both condition is fulfilled at the same time.




T1,T3 : 0.5±0.1sec, T2 : 1±0.1sec, T4 : 0.5sec or less
7. Passive key reminder unlock
(1) This function is disabled to be performed if vehicle speed is over 3km/h.
(2) Door unlock output is operated for 1s when receiving KEY REMIND(CAN) from SMK ECU.
(3) The maximum of 3 times of (excluding the 1s output) unlock output is operated if lock state is maintained regardless of unlock output for 1s by (2).




T1 : 1±0.1sec, T2 : 0.5±0.1sec
*UnlockSW ON : DRVDRUnlockSW is unlocked and ASTDRUnlockSW is unlocked
UnlockSW OFF : DRVDRUnlockSW is locked and ASTDRUnlockSW is locked
8. Crash door unlock
(1) Whenever crash Input signal[1] Input is ON with IGN1 = ON or IGN2 = ON , Unlock output is operated without exception.
(2) Unlock output is maintained to the cycle not with standing IGN1 = OFF and IGN2 = OFF during Unlock output.
(3) Unlock output is operated for T3 when driver or assist, rear door Lock switch is Unlocked -> Locked following unlock output.
(4) Auto door lock function is not performed under the crash Unlock condition.
(5) central door lock function is not performed during or after crash unlock output. However, central door lock function will be performed as usual if crash unlock function is reset following IGN OFF.
(6) Crash door unlock function is prior to Lock/Unlock control by other functions.
(7) Lock/unlock required by other functions is ignored during and after crash door unlock output. However, lock/unlock is controlled by other function if IGN1 switch = OFF & IGN2 switch = OFF.




T1 : 40msec, T2 : 5±0.5sec
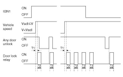
9. Auto door lock
(1) Auto door lock is divided into non-activation / 20km activation / 40km activation.
(2) Door lock relay output is ON by T1, when maintaining rated speed or more in (1) with A_IGN1 SW=ON. However, lock output is not operated if ALL the doors are failed or locked.
(3) If any of the door is in unlock condition after lock output in (2), the maximum of 3 times of lock output is operated (1s cycle). However, door changed from unlock->lock during the output is ignored.
(4) The door is failed if it is unlocked after the 3 times output.
(5) 1 lock output is operated only if failed door is unlocked following the previous change. (unlock->lock)
(6) 1 lock output is operated only if locked door is unlocked after the lock output in (2). However, 1 lock output is operated on the door regardless of maintaining unlock condition following the lock output.
(7) Clear failed door when IGN1 switch is OFF.
(8) Auto door lock function is not performed under crash unlock condition.




T1 : Max 1.5, T2 : 0.5±0.1sec
10. IGN key off unlock
(1) IGN key OFF unlock is divided into non-activation/activation.
(2) All doors are unlocked if any of the door is locked during IGN1 switch OFF prior to key OFF.




T1 : 0.5±0.1sec
11. Auto door Lock by shift lever change (NORTH AMERICA AT SPECIFICATION)
(1) Activation of above function is in accordance with CALIBRATION PARAMETER TABLE.
(2) Door Lock Output is operated when Inhibit P signal Input value is changed from 1 -> 0 with All door close (including Tail Gate) and Any door unlock after 300msec from IGN1 is ON and Alt L is ON. However, the output is not operated with All door Lock or All door fail.
(3) If any of the doors is Unlocked after Lock Output by above condition, the maximum of 3 times of Lock Output is operated. (1s cycle) However, DOOR UNLOCK->LOCK during the output is ignored.
(4) The door is Failed if it is Unlocked after the 3 outputs.
(5) 1 Lock Output is operated only if Failed door is Unlocked following the previous change. (UNLOCK->LOCK)
1 Lock Output is operated only if Locked door is Unlocked after the Lock Output in (2). However, 1 Lock Output is operated on the door regardless of maintaining Unlock condition following the Lock Output.
(6) Clear failed door when IGN1 switch is OFF.
(7) Shift P interlocking Door Lock function is not performed under Crash Unlock function.




T1 : Max 1.5sec, T2 : 0.5 ± 0.1sec
*1 ON (UNLOCK) : DRIVERDRUnlock Switch I ASTDRUnlock Switch I RRDRUnlock Switch = UNLOCK
OFF (LOCK) : DRIVERDRUnlock Switch & ASTDRUnlock Switch & RRDRUnlock Switch = LOCK
12. Auto door Unlock by shift lever change (NORTH AMERICA AT SPECIFICATION)
(1) When any door lock & IGN1 ON & Alt L=ON, Inhibit P signal value change to 0 from 1 after 300msec, Central door unlock output.
13. Key interlock control




(1) If P position switch Input is OFF with IGN1 ON or ACC ON, the condition is required to be made for key being tightly fixed by turning ON Key solenoid output.
(2) Other than the above condition, key is to be removed by turning OFF Key solenoid output.




14. Tailgate release control




(1) Permission mode state















(2) 30sec permission mode state










(3) Anti-permission mode state



















T1,T2 : 0.5±0.1sec, T3 : 1±0.2sec, T4 : 30±3sec