LEMON Manuals: Even more car manuals for everyone: 1960-2025
Home >> Kia >> 2011 >> Sorento Base, Standard >> Repair and Diagnosis (Single Page) >> Accessories & Equipment >> Communication Devices >> Body Control Module (BCM) >> IPM (Intelligent Integrated Platform Module) >> Description and Operation >> Function >> Timer Control
April 5, 2026: LEMON Manuals is launched! Read the announcement.

Timer Control

  1. Timer Control data flow
    Fig 1: Timer Control Data Flow Diagram
    G07416787Courtesy of KIA MOTORS AMERICA, INC.
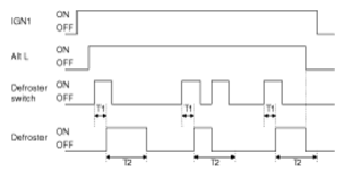
  2. Defroster timer
    1. If turning ON Alt L and then Defroster switch with IGN1 switch ON, turn ON Defroster for 20 minutes. (operated in ENGINE RUNNING Condition)
    2. If Defroster switch is ON during Defroster ON, turn OFF Defroster.
    3. If Alt L OFF or IGN1 OFF during Defroster ON, turn OFF Defroster.
    4. Defroster is not activated with Alt L ON as well as Defroster switch being pushed simultaneously.
      Fig 2: Defroster Timer Timing Pattern
      G07416788Courtesy of KIA MOTORS AMERICA, INC.

      T1 : 60±20msec, T2 : 20±1min

  3. Power window timer
    1. Turn ON Power window if IGN2 switch ON.
    2. Power window output is maintained for 30 seconds and OFF if IGN2 switch is OFF.
    3. The output is immediately OFF if Driver door open switch ON or Assist door open switch ON in the (2) above.
    4. If IGN2 is OFF with Driver door open switch ON or Assist door open switch ON, Power window is OFF.
      Fig 3: Power Window Timer Timing Pattern
      G07416789Courtesy of KIA MOTORS AMERICA, INC.

      T1 : 30±1sec