LEMON Manuals: Even more car manuals for everyone: 1960-2025
Home >> Kia >> 2011 >> Sorento Base, Standard >> Repair and Diagnosis (Single Page) >> Accessories & Equipment >> Communication Devices >> Body Control Module (BCM) >> IPM (Intelligent Integrated Platform Module) >> Description and Operation >> Function >> Warning Control
April 5, 2026: LEMON Manuals is launched! Read the announcement.

Warning Control

  1. Priority
    WARNING CONTROL REFERENCE CHART

    Priority Internal Buzzer Warning Logic Load Control
    1 Rear PAS Warning IPM IPM
    2 Seat Belt Warning
    3 Over Speed Warning
    4 Key Operated Warning
    5 Parking Brake Warning
    6 Steering Column Not Locked Warning (SMK Option) SMK
    7 ID Out Warning
    8 Steering Column Not Unlocked Warning (SMK Option)
    9 SSB Button Warning (SMK Option)
    10 Rheostat Detent Sound CLU
  2. Warning control data flow
    Fig 1: Warning Control Data Flow Diagram
    G07416784Courtesy of KIA MOTORS AMERICA, INC.
  3. Seat belt reminder

    * Terminology

    1. Bulb check 6s driver is blinking: If IGN1=0→1, indicator is blinking.
    2. Bulb check 6s buzzer: If IGN1=0→1 with Unbelted, buzzer is warning.
    3. Normal 6s driver is blinking: If IGN1=1 with Belted→Unbelt, indicator is blinking.
    4. Normal 6s buzzer: If IGN1=1 with Belted→Unbelted, buzzer is warning.

    * 6s driver is blinking: Blinking for 6 seconds in 1 second Cycle

    1. From state IGN1 Off (Default State)
      STATE DESCRIPTION CHART

      State Description
      Initial condition IGN1 OFF 
      Event Driver side seat belt is belted and IGN1 ON
      Action
      • Start Bulb check 6 seconds driver indicator blinking
      • The automaton state is changed to IGN1 ON DRIVER BELTED
      STATE DESCRIPTION CHART

      State Description
      Initial condition IGN1 OFF 
      Event Driver side seat belt is unbelted and IGN1 ON
      Action
      • Start Bulb check 6 seconds driver indicator blinking
      • Start Bulb check 6 seconds buzzer warning
      • The automaton state is changed to IGN1 ON DRIVER UNBELTED
    2. From state IGN1 On Driver Belted
      STATE DESCRIPTION CHART

      State Description
      Initial condition IGN1 ON DRIVER BELTED 
      Event IGN1 OFF
      Action
      • Stop Bulb check 6 seconds driver indicator blinking
      • The automaton state is changed to IGN1 OFF
      STATE DESCRIPTION CHART

      State Description
      Initial condition IGN1 ON DRIVER BELTED 
      Event Driver side seat belt is unbelted & Vehicle Speed < 5km/h
      Action
      • Start Normal 6 seconds driver indicator blinking
      • The automaton state is changed to IGN1 ON DRIVER UNBELTED
      STATE DESCRIPTION CHART

      State Description
      Initial condition IGN1 ON DRIVER BELTED 
      Event Driver side seat belt is unbelted & Vehicle Speed ≥ 5km/h
      Action
      • Start Normal 6 seconds driver indicator blinking
      • Start Normal 6 seconds buzzer warning
      • The automaton state is changed to IGN1 ON DRIVER UNBELTED
    3. From state IGN1 On Driver Unbelted
      STATE DESCRIPTION CHART

      State Description
      Initial condition IGN1 ON DRIVER UNBELTED 
      Event IGN1 OFF
      Action
      • Stop Bulb check 6 seconds driver indicator blinking
      • Stop Normal 6 seconds driver indicator blinking
      • The automaton state is changed to IGN1 OFF
      STATE DESCRIPTION CHART

      State Description
      Initial condition IGN1 ON DRIVER UNBELTED 
      Event Driver side seat belt is belted
      Action
      • Stop Normal 6 seconds driver indicator blinking
      • Stop ALL 6 seconds buzzer warning
      • The automaton state is changed to IGN1 ON DRIVER BELTED
      STATE DESCRIPTION CHART

      State Description
      Initial condition IGN1 ON DRIVER UNBELTED 
      Event Vehicle Speed ≥ 10km/h
      Action
      • Start buzzer and driver indicator Pattern (10 times (6sec ON/24sec OFF) + 6sec ON)
      • The automaton state is changed to PATTERN 
    4. From State Pattern
      STATE DESCRIPTION CHART

      State Description
      Initial condition PATTERN 
      Event IGN1 OFF
      Action
      • Stop Buzzer and driver indicator Pattern
      • Stop ALL 6s driver indicator blinking
      • Stop ALL 6s buzzer warning
      • The automaton state is changed to IGN1 OFF
      STATE DESCRIPTION CHART

      State Description
      Initial condition PATTERN 
      Event Driver side seat belt is belted
      Action
      • Stop Buzzer and driver indicator Pattern
      • Stop Normal 6s driver indicator blinking
      • Stop ALL 6s buzzer warning
      • The automaton state is changed to IGN1 ON DRIVER BELTED
      STATE DESCRIPTION CHART

      State Description
      Initial condition PATTERN 
      Event Vehicle Speed ≤ 5km/h
      Action
      • Stop Buzzer and driver indicator Pattern
      • if 6s buzzer period, after 6s warning stop Pattern
      • The automaton state is changed to IGN1 ON DRIVER UNBELTED
  4. Key operated warning
    1. Buzzer is continuously ON in 0.6 second cycle, when key in & Driver door open switch is ON.
    2. Turn off the Buzzer if IGN1 switch is ON or Driver door open switch is OFF or KEY OFF during the output condition.
      Fig 2: Key Operated Warning Timing Pattern
      G07416785Courtesy of KIA MOTORS AMERICA, INC.

      T1 : 0.6±0.1sec

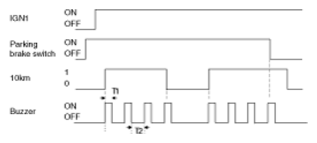
  5. Parking start warning
    1. If [10km = 1] with IGN1 ON and Parking brake switch ON, Buzzer output.
    2. If [10km = 1] with Parking brake switch ON, turn ON the Buzzer output.
    3. If IGN1 OFF, Parking brake switch OFF or [10km = OFF], turn OFF the Buzzer output.
      Fig 3: Parking Start Warning Timing Pattern
      G07416786Courtesy of KIA MOTORS AMERICA, INC.

      T1 : 0.3±0.1sec, T2 : 0.7±0.1sec

  6. SMK warning

    Refer to SMART KEY SYSTEM in this group.