LEMON Manuals: Even more car manuals for everyone: 1960-2025
Home >> Kia >> 2011 >> Sorento Base, Standard >> Repair and Diagnosis (Single Page) >> Accessories & Equipment >> Communication Devices >> Body Control Module (BCM) >> IPM (Intelligent Integrated Platform Module) >> Description and Operation >> Function >> Wiper Control
April 5, 2026: LEMON Manuals is launched! Read the announcement.

Wiper Control

  1. Wiper Data Flow
    Fig 1: Wiper Control Data Flow Diagram
    G07416765Courtesy of KIA MOTORS AMERICA, INC.
  2. Wiper control priority
    1. Control of washer interlocking wiper
    2. MIST wiper control
    3. INT wiper control
  3. Control of front washer Interlocking Wiper
    1. Turn Washer switch ON in IGN2 ON and turn Wiper low relay ON after T1.

      If Washer switch is input in 0.06~0.2 second, turn OFF Wiper low relay output after T3.

    2. However, Washer switch input during operating washer interlocking wiper is ignored, and received after operating washer interlocking wiper.
      Fig 2: Washer Interlocking Wiper Timing Pattern
      G07416766Courtesy of KIA MOTORS AMERICA, INC.

      T1 : 0.3±0.03sec, T2 : 0.06~0.2sec,

      T3 : 0.7±0.1sec

      T3=0 (if T2 is less than 0.06sec)

    3. Turn Washer switch ON in IGN2 ON and trun ON Wiper low relay out after T1.

      If Washer switch Input takes more than 0.2 second, turn ON and OFF Wiper low relay within 2.5~3.8 seconds after turning Washer switch OFF.

    4. However, Washer switch input is ignored during operating washer interlocking wiper, and received after operating washer interlocking wiper.
      Fig 3: Washer Interlocking Wiper Timing Pattern
      G07416767Courtesy of KIA MOTORS AMERICA, INC.

      T1 : 0.3±0.03sec, T2 : above 0.2sec,

      T3 : 2.5~3.8sec

    5. If Washer switch is ON for over 0.2 second in operation of INT wiper, turn ON washer interlocking wiper output after T1. If Washer switch is ON for less than 0.2 second, turn ON Wiper low relay Output once.
      Fig 4: Wiper Low Relay Output Timing Pattern
      G07416768Courtesy of KIA MOTORS AMERICA, INC.

      T1 : 0.3±0.03sec, T2: above 0.2 sec,

      T3 : 2.5~3.8sec, T4 : INT TIME-0.7sec,

      T5 : 0.06~0.2sec, T6 : 0.7±0.1sec

    6. When turing on (IGN1 ON & IGN2 OFF), Washer switch signal is ignored.
  4. MIST wiper control
    1. When turning on Wiper Mist SW with L_IGN2 ON, turning ON O_WiperLowRLY output for 700ms.
      Fig 5: MIST Wiper Control Timing Pattern
      G07416769Courtesy of KIA MOTORS AMERICA, INC.

      T1 : Min 60ms, T2: Max 100ms, T3 : 700±100ms

    2. If Wiper Mist switch input lasts for over 700ms, maintain Wiper low relay ON. IF Wiper Mist switch is OFF, turn ON Wiper low relay output for 700ms from it is turned OFF.
      Fig 6: Wiper MIST Switch Timing Pattern
      G07416770Courtesy of KIA MOTORS AMERICA, INC.

      T1 : Min 60ms, T2: Max 100ms,

      T3 : 700±100ms, T4 : 700ms

  5. INT wiper control

    Intermittent time of intermittent wiper is controlled dependent on the following conditions.

    1. IGN2 switch ON.
    2. Wiper switch INT.
    3. INTERMITTENT VOLUME level is used to set the intermittent time.
  6. Rear wiper control
    1. Rear wiper relay is continuously operating when turing Rear wiper switch ON with IGN2 switch ON.
    2. Repeat ON mode for 0.7 second and OFF mode for 6 seconds.
      Fig 7: Rear Wiper Control Timing Pattern
      G07416771Courtesy of KIA MOTORS AMERICA, INC.

      T1 : 6±0.6sec, T2 : 6±0.6sec, T3 : 0.7±0.1sec

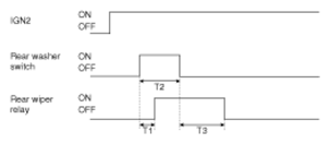
  7. Control of rear washer interlocking rear wiper
    1. If Rear washer switch is ON with L_IGN2 SW ON, turn ON Rear wiper relay output after T1.

      If Rear washer switch Input is carried on for 0.2~0.6 second, turn OFF Rear wiper relay after T3.

      However, Rear washer switch input generated during operating Rear wiper relay is ignored, and received following the operation of Rear wiper relay.

      Fig 8: Rear Washer Interlocking Rear Wiper Timing Pattern
      G07416772Courtesy of KIA MOTORS AMERICA, INC.

      T1 : 0.3±0.1sec

      T2 : 0.2~0.6sec

      T3 : 0.7±0.1sec

      If T2 is not more the 0.2sec, T3=0

    2. With Rear washer switch is ON with IGN2 switch ON, turn ON Rear wiper relay output after T1.

      If Rear washer switch input is continued for more than 0.6, turn ON and OFF Rear wiper relay Output for 2.5~3.8 seconds after turning Rear washer switch OFF. However Rear washer switch Input during operating Rear wiper relay is ignored and received after the operation of Rear wiper relay.

      Fig 9: Rear Washer Switch Timing Pattern
      G07416773Courtesy of KIA MOTORS AMERICA, INC.

      T1 : 0.3 ± 0.1sec, T2 : 0.6↑sec

      T3 : 2.5~3.8sec (3sec)

    3. Rear washer switch Input is ignored during continuous operation of Rear wiper relay generated by Rear wiper switch.
    4. The function of Rear washer interlocking Rear wiper is primarily taken, in case that Rear washer switch Input is generated during intermittent operation of Rear wiper relay by Rear wiper switch.