LEMON Manuals: Even more car manuals for everyone: 1960-2025
Home >> Kia >> 2012 >> Forte L4-2.4L >> Repair and Diagnosis >> Diagrams >> Electrical Diagrams >> Keyless Entry Module
April 5, 2026: LEMON Manuals is launched! Read the announcement.

Keyless Entry Module

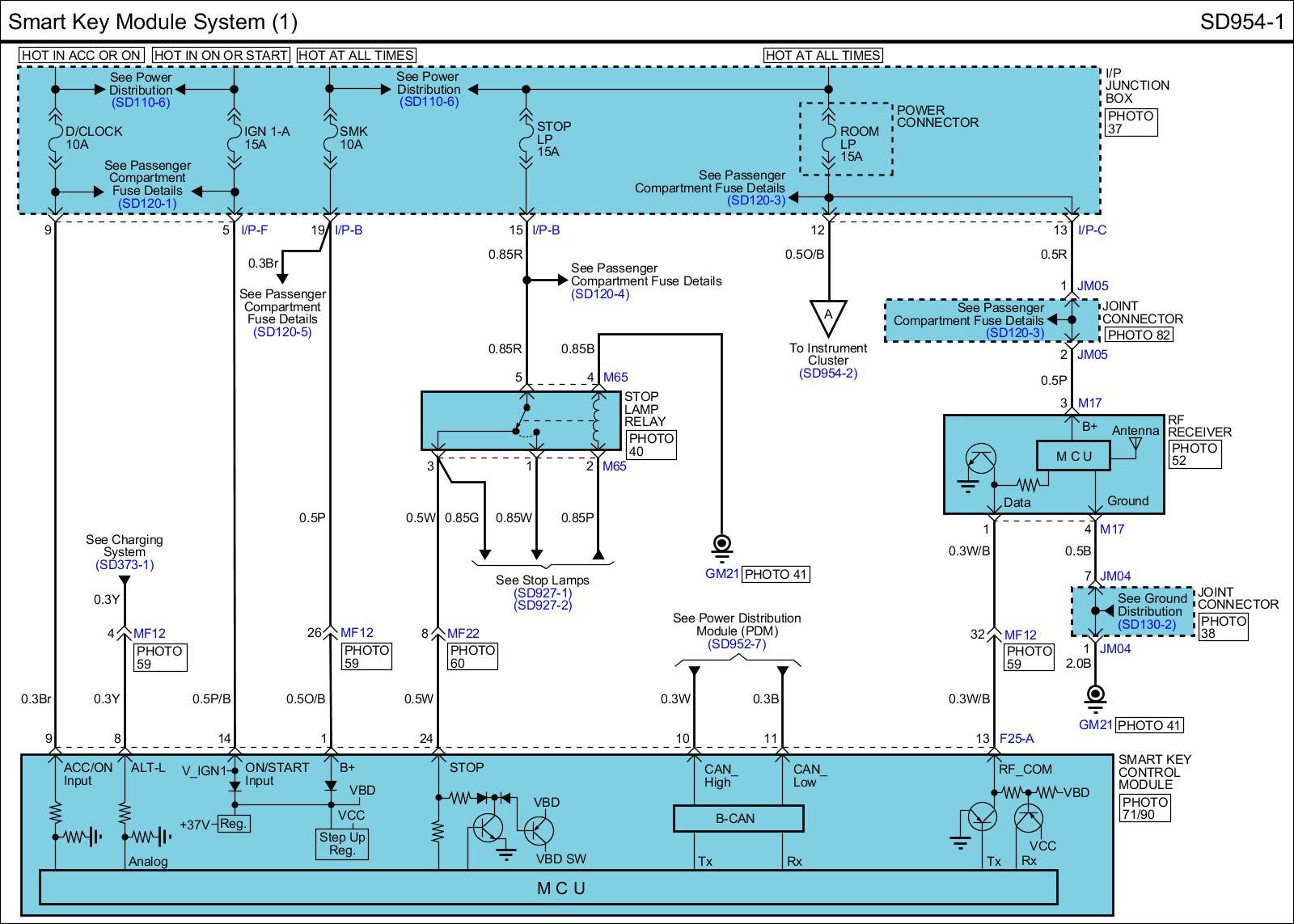
SD954-1 Smart Key Module System (1):




SD954-2 Smart Key Module System (2):




SD954-3 Smart Key Module System (3):




Smart Key Module System (4) Connector Pin Outs:






Diagrams: Other diagrams referred to by SD number (i.e SD130-4, etc.) within these diagrams can be found at Diagrams by Number. Diagrams By Number

Locations: Location photographs (references to PHOTOS) referred to within these diagrams can be found via the photo number at the vehicle level under Locations by Photo Number. Locations By Photo Number