LEMON Manuals: Even more car manuals for everyone: 1960-2025
Home >> Kia >> 2012 >> Forte L4-2.4L >> Repair and Diagnosis >> Diagrams >> Electrical Diagrams >> Powertrain Management >> Engine Control Module
April 5, 2026: LEMON Manuals is launched! Read the announcement.

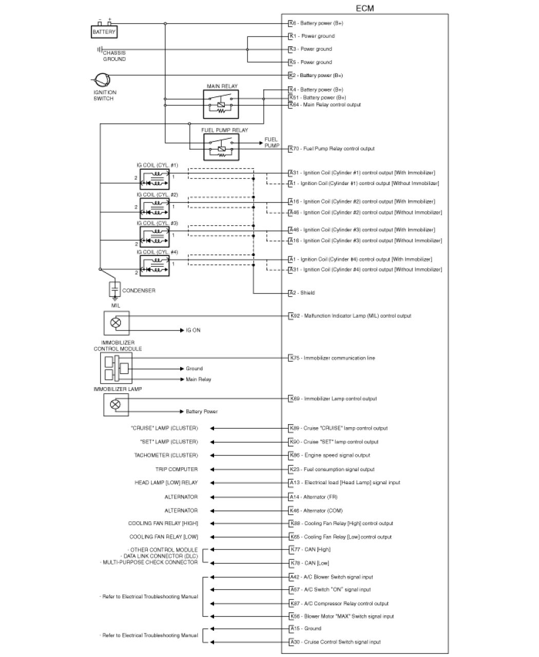
Engine Control Module





ECM Terminal And Input/Output signal




ECM Terminal Function
Connector [CHG-K]













Connector [CHG-A]









ECM Terminal Input/ Output signal
Connector [CHG-K]





















Connector [CHG-A]










Circuit Diagram