LEMON Manuals: Even more car manuals for everyone: 1960-2025
Home >> Kia >> 2012 >> Optima Hybrid >> Repair and Diagnosis >> Engine Performance >> Engine Control Systems >> Engine Control System - HEV >> Engine Control Module (ECM) >> Schematic Diagrams >> Circuit Diagram
April 5, 2026: LEMON Manuals is launched! Read the announcement.

Circuit Diagram

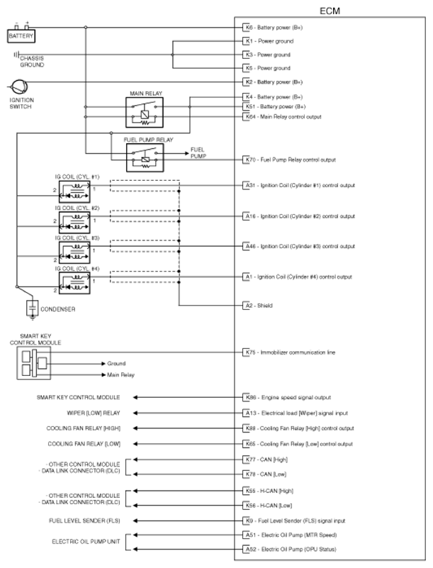
Fig 1: ECM - Circuit Diagram (1 Of 4)
G08312825Courtesy of KIA MOTORS AMERICA, INC.
Fig 2: ECM - Circuit Diagram (2 Of 4)
G08312826Courtesy of KIA MOTORS AMERICA, INC.
Fig 3: ECM - Circuit Diagram (3 Of 4)
G08312827Courtesy of KIA MOTORS AMERICA, INC.
Fig 4: ECM - Circuit Diagram (4 Of 4)
G08312828Courtesy of KIA MOTORS AMERICA, INC.