LEMON Manuals: Even more car manuals for everyone: 1960-2025
Home >> Kia >> 2012 >> Optima L4-2.4L >> Repair and Diagnosis >> Diagrams >> Electrical Diagrams >> Automatic Transmission/Transaxle >> Control Module, A/T
April 5, 2026: LEMON Manuals is launched! Read the announcement.

Control Module, A/T





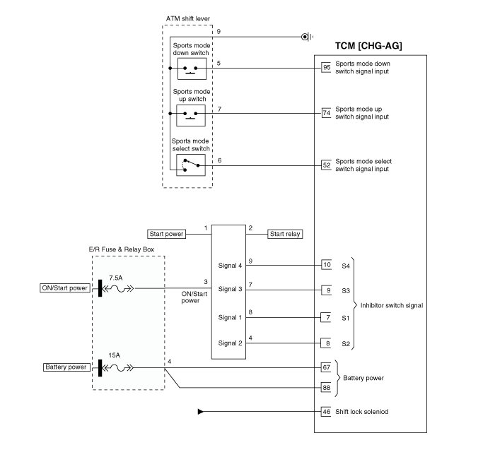
1. TCM Connector and Terminal Function





2. TCM Terminal Function

Connector [CHG-AG]










TCM Terminal Input/ Output Signal

Connector [CHG-AG]


















Circuit Diagram