LEMON Manuals: Even more car manuals for everyone: 1960-2025
Home >> Kia >> 2012 >> Optima SX >> Repair and Diagnosis (Single Page) >> Accessories & Equipment >> Communication Devices >> Body Control Module (BCM) - Except HEV >> Body Control Module (BCM) >> Description And Operation >> Function >> Function Description
April 5, 2026: LEMON Manuals is launched! Read the announcement.

Function Description

  1. Key hole illumination is turned ON at IGN1 OFF and driver door switch (or assist door switch) OPEN.
  2. The output of key hole illumination is turned ON for 30s after the OFF state is delayed at (1) state and driver door switch (or assist door switch) CLOSE.
  3. Key hole illumination is immediately turned OFF at IGN switch ON during output.
  4. If ATWS state is ARMWAIT mode, key hole illumination is immediately turned OFF.

ATWS ON: ARMWAIT mode

Fig 1: 30 Sec Timing Pattern Graph
G07380732Courtesy of KIA MOTORS AMERICA, INC.

T1 : 30 ± 1 sec



  1. Safety Power window Enable and power window main output is turned ON at IGN1 ON.
  2. Maintaining output at IGN1 OFF after 30 seconds Safety Power window Enable and power window main, Safety Power window Enable and power window main output is OFF.
  3. Above (2) Driver door switch or Assist door switch in protest to the conditions when you OPEN, Safety Power window Enable and power window main output will be OFF immediately.
  4. IGN1 OFF when the Safety Power window Enable and power window main output is OFF at driver door switch or Assist door switch OPEN.
Fig 1: Assist Door Switch OPEN Timing Pattern Graph
G07380743Courtesy of KIA MOTORS AMERICA, INC.

T1 : 3 ± 3 sec



In BATTERY ON and Tail Lamp is off state, if user turns on the Tail Lamp switch (Tail switch ON), Tail Lamps are turned on.

  1. Tail Auto Cut Function Condition

    The "Tail Auto Cut" strategy ensures that Tail lamps are turned off even if a driver forgets to turn them off. When the Tail lamp is turned on by Tail lamp switch, after key insertion, and if a user removes key and opens the driver side door (or vice versa), the Tail lamps are automatically turned off. While "Tail Auto Cut" function is active, if a user turns off the Tail lamp switch or inserts key, "Tail Auto Cut" function will be deactivated and Tail lamps can be turned on.

    NOTE:
    • "Tail Auto Cut" state is memorized in ECU, so even if battery reset, this state is not erased.
    • During the activation of Escort function, no Tail Auto Cut mode is possible and it is only after escort function deactivation that Tail Auto Cut mode can be applied.
    1. CAN signal Tail Activity Condition

      When tail lamp output condition is met, Tail Lamp activity CAN data (EXT Tail_Act & INT Tail Act) is also turned on. When tail lamp output condition is not met, Tail Lamp activity CAN data (EXT Tail Act & INT Tail Act) is also turned off.

    2. Internal signal Tail Activity Condition

      When tail lamp output is on, internal signal Tail Lamp activity (Tail Lamp) is also turned on. When tail lamp output is off, internal signal Tail Lamp activity (Tail Lamp) is also turned off.

      Fig 1: Tail Lamp Function Timing Pattern Graph
      G07380760Courtesy of KIA MOTORS AMERICA, INC.
    3. HEAD LAMP CONTROL
    1. Overview Description

    This function describes the following features

    1. Turn on and off Head Lamp Low by Head Lamp Low Switch input.
    2. Turn on and off Head Lamp Low by Escort Function.
    3. Turn on and off Head Lamp Low by Auto Light Control Request.
    4. Turn on and off Head Lamp High by Head Lamp High Switch input.
    5. Turn on and off Head Lamp High and Low by Passing Switch Input.
    6. Output control of Head Lamp Low.
    7. Output control of Head Lamp High.
    8. Output control of Head Lamp High Indicator.
    9. Output control of Head Lamp control for CANADA DRL.


  1. Head Lamp Low Control

    In IGN terminal State (IGN ON), if turn on the Head Lamp LOW switch (Head Lamp Low switch ON),

    Head Lamp LOW outputs are turned on (Head Lamp Low ON).

    When Tail lamp Off and headlamp Off conditions are satisfied at the same time, Head Lamp LOW and Tail LAMP turned off simultaneous immediately.

  2. Head Lamp High Control

    In IGN terminal State (IGN ON) and Head Lamp Low switch On (Head Lamp Low switch ON), if turn on the Head Lamp High switch (Head Lamp High switch ON), Head Lamp High Outputs are turned on (Head Lamp High ON).

  3. Passing Control

    In IGN terminal State (IGN ON), If Head Lamp Passing switch Input (Head Lamp High switch ON & Head Lamp Low control OFF) is detected then Head Lamp High Output (Head Lamp High ON) are turned on and Head Lamp Low Output (Head Lamp Low ON) at the same time.

  4. Canada DRL
    1. If alternator level is high (ALT L=On), BCM activates Canada DRL functionality and turns on the Head lamp high (CANADA DRL=On).
    2. Deactivation if:
    1. Head lamp low On request by Head lamp switch or auto light head lamp Low control or
    2. Head high On request by passing switch or
    3. Parking brake switch On
    Fig 1: Head Lamp Function Timing Pattern Graph
    G07380763Courtesy of KIA MOTORS AMERICA, INC.
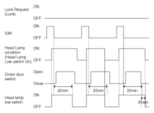
  5. Escort Function

    After user generates the call of head lamp low light (Head Lamp Low switch On), if switch off ignition (IGN Off and START Off), and then keep Head Lamp Low Output On (Head Lamp Low ON) state during 20 min.

    And after open and close driver side door (Driver door switch ON -> Driver door switch Off), user will have consequently lighting of head lamp low (Head Lamp Low ON) during only 30 sec.

    During active "Escort Function", if receive Lock request 2 times (2 LOCK) or cancel the lighting request of head lamp low (Head Lamp Low switch Off & Auto Light switch Off), this function is released.

    Lock request counting for 2 times (2 LOCK) is each follow cases:

    1. RKE CMD == Lock
    2. SMK RKE CMD == Lock
    3. Passive Access Lock== Lock

    If open the Driver door (Driver door switch ON) or close (Driver door switch Off), former lock counter is cleared, and start new 2 times lock counting.

  6. Head Lamp Welcome Function

    "Multifunction switch head lamp or auto light position and lock stated, if remote unlock, and then keep head lamp output on state during 15 second. Lighting state, if remote lock and unlock, immediately light turn off."

    NOTE:
    • While escort function is activated, Tail lamp is keeping the turn on state and does not go to Auto cut and after finish escort state and user removes key, it can go Auto cut mode.
    • While the "Escort Function" is activated by 'Head Lamp Low Switch', if change from 'Head Lamp Low Switch' to 'Lamp Auto Switch', "Escort Function" is deactivated, because Lamp Auto mode is 'Lamp Off' condition.
    • While the "Escort Function" is activated by 'Lamp Auto Switch', if change from 'Lamp Auto Switch' to 'Head Lamp Low Switch', "Escort Function" is keeping the activation state, because of 'Head Lamp On' condition.
    • After IGN terminal off 20 minute timers is started, but as soon as door is opened and closed then 30 sec timer is engaged.
    Fig 2: Escort Function Timing Pattern Graph
    G07380764Courtesy of KIA MOTORS AMERICA, INC.