LEMON Manuals: Even more car manuals for everyone: 1960-2025
Home >> Kia >> 2012 >> Optima SX >> Repair and Diagnosis (Single Page) >> Accessories & Equipment >> Communication Devices >> Body Control Module (BCM) - Except HEV >> Body Control Module (BCM) >> Description And Operation >> Function >> Wiper Control >> Washer Control Coupled With Wiper
April 5, 2026: LEMON Manuals is launched! Read the announcement.

Washer Control Coupled With Wiper

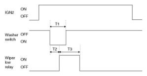
Fig 1: Washer Control Coupled With Wiper Function Chart
G07380710Courtesy of KIA MOTORS AMERICA, INC.
  1. Under IGN2 = ON, wiper LOW relay is turned ON after T2 from Washer switch ON if washer switch is ON for T1 and wiper LOW relay is turned OFF after T3.
    Fig 2: Timing Pattern Graph Coupled With Wiper (1 Of 3)
    G07380711Courtesy of KIA MOTORS AMERICA, INC.

    T1 : 0.06s~0.2s, T2 : 0.3s ±0.1s, T3 : 0.7s ±0.1s

  2. Under IGN2 switch ON, wiper LOW relay is turned ON after T2 from Washer switch ON if washer switch is ON for at least T1, and wiper LOW relay is turned OFF after T3 from the moment that Washer switch is turned OFF.
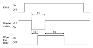
    Fig 3: Timing Pattern Graph Coupled With Wiper (2 Of 3)
    G07380712Courtesy of KIA MOTORS AMERICA, INC.

    T1 : 0.2s (MIN), T2 : 0.3s ±0.1s

    T3 : 2.5s~3.8s (2~3 Turn)

  3. Operation in Item (2) is performed if Washer switch is ON for at least T1 during WIPER operation with Wiper int switch. Operation in Item (1) is performed if Washer switch is ON for T6.
    Fig 4: Timing Pattern Graph Coupled With Wiper (3 Of 3)
    G07380713Courtesy of KIA MOTORS AMERICA, INC.

    T1 : 0.2s (MIN), T2 : 0.3s ±0.1s

    T3 : 2.5s~3.8s (2~3 Turn), T4 : T5 - 0.7s

    T5 : INT TIME, T6 : 0.06s ~0.2s, T7 : 0.7s ±0.1s

  4. Operation is cancelled in case of IGN OFF during T3.
  5. Give priority to WASHER interlocking WIPER than Speed sensing INT WIPER function.
  6. Washer switch signal input shall be ignored at start-up (IGN1 ON & IGN2 OFF states).
  7. Switch ON time includes chattering time