LEMON Manuals: Even more car manuals for everyone: 1960-2025
Home >> Kia >> 2012 >> Soul L4-2.0L >> Repair and Diagnosis >> Diagrams >> Electrical Diagrams >> Powertrain Management >> Engine Control Module
April 5, 2026: LEMON Manuals is launched! Read the announcement.

Engine Control Module





ECM Terminal And Input/Output signal (M/T)




ECM Terminal Function
Connector [ENGM-A]









Connector [ENGM-K]













ECM Terminal Input/ Output signal
Connector [ENGM-A]













Connector [ENGM-K]














ECM Terminal And Input/Output signal (A/T)




ECM Terminal Function
Connector [ENGA-A]













Connector [ENGA-B]













ECM Terminal Input/Output signal (AT)
Connector [ENGA-A]













Connector [ENGA-B]


















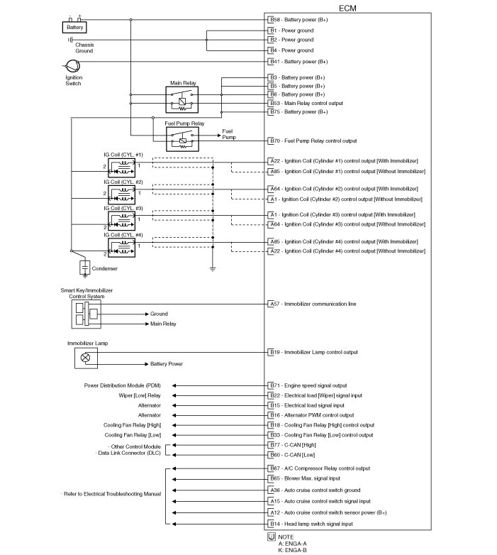
Circuit Diagram

(M/T)
















(A/T)