LEMON Manuals: Even more car manuals for everyone: 1960-2025
Home >> Kia >> 2013 >> Forte LX, Automatic Trans >> Repair and Diagnosis >> Accessories & Equipment >> Communication Devices >> Body Control Module (BCM) >> Description And Operation >> Function >> Door Lock/Unlock Control
April 5, 2026: LEMON Manuals is launched! Read the announcement.

Door Lock/Unlock Control

  1. Door Lock/unlock Control Data Flow
    Fig 1: Door Lock/Unlock Control Data Flow Diagram
    G07369217Courtesy of KIA MOTORS AMERICA, INC.
  2. Door Lock/unlock Relay Control (2-Turn Unlock)
    1. Non-applicable Spec For 2-Turn
      Fig 2: Door Lock/Unlock Relay Control Circuit Diagram
      G07369218Courtesy of KIA MOTORS AMERICA, INC.
      DOOR LOCK/UNLOCK RELAY REFERENCE CHART

      Mode Door unlock relay Driver unlock relay/Dead lock relay Door lock relay
      Central lock OFF OFF ON
      Central unlock ON ON OFF
      Driver unlock OFF ON OFF
    1. If Driver door Key Unlock Switch turns OFF from ON within T1 after Driver door Key Unlock Switch turns ON from OFF (Driver door Unlock Switch becomes UNLOCKED mechanically and does not output BCM.), turn Door Unlock Relay output ON during T2.
    2. If TX UNLOCK is received within T1 after Driver door key unlock switch turns ON from OFF (Driver door unlock switch becomes UNLOCKED mechanically and does not output BCM.), turn Driver door unlock relay and Door unlock relay output ON during T2.
    3. Turn Driver door unlock relay output ON during T2 when receiving TX UNLOCK signal. However, turn Driver door unlock relay and Door unlock relay output during T2 if TX UNLOCK is received within T1.
    4. Also, turn Driver door unlock relay and Door unlock relay ON during T2 in case that Driver door key unlock switch turns ON from OFF within T1 after receiving TX UNLOCK.
    5. Regard as the same TX even though different signal which is registered within T1 is received.
      Fig 3: Driver Door Timing Pattern
      G07369219Courtesy of KIA MOTORS AMERICA, INC.
  3. Central Door Lock/unlock
    1. If Driver Door Key Lock switch or Passenger Door Key Lock switch turns ON, turn Door Lock Relay output ON during T1. But prohibit the output when KEY IN ON *2) and IGN1 are ON.
    2. When Driver Door Key Unlock and Passenger Door Key Unlock turn ON, turn Door Unlock Relay and Driver Door Unlock Relay output ON during T1.
    3. Turn CENTRAL LOCK *3) ON during T1 when receiving TX LOCK signal.

      But ignore LOCK input when Driver Door SW or Passenger Door switch is ON.

      Ignore Passive Lock input when Driver Door switch or Passenger Door switch is ON. (SMK)

    4. Turn CENTRAL UNLOCK *4) ON during T1 when receiving TX UNLOCK signal.
    5. Turn Door Lock Relay output ON during T1 when Power window Door Lock switch turns ON.
    6. Turn CENTRAL UNLOCK output ON during T1 when Power window Door Unlock switch turns ON. But prohibit the operation by Power window Door Unlock switch at the condition of ARM, ARMWAIT, REARM and ALARM.
    7. LOCK/UNLOCK by SAFETY KNOB is not interlock (Mechanical operation).
    8. Malfunction should be free when joining BATTERY (Also malfunction should be free at the location of Key In switch ON).
    9. Input which is less than 60 msec should not be received (KEY LOCK/UNLOCK switch).
    10. Do not execute the output of DOOR LOCK (UNLOCK) by KNOB change.

      *2) KEY IN ON : Key In ON

      *3) CENTRAL LOCK : Refer to control mode for each Spec.

      *4) CENTRAL LOCK : Refer to control mode for each Spec.

      Fig 4: Door Lock Output Timing Pattern
      G07369220Courtesy of KIA MOTORS AMERICA, INC.

      T1 : 0.5 ± 0.1 sec

  4. IGN Key Reminder
    1. This function will not be operated if the speed of cars exceeds 3 km/h.
    2. Perform Door unlock relay output for 1s after 0.5s when the condition becomes to be KEY IN = ON & Driver door switch = OPEN & Driver door unlock switch = LOCK (Regions for North America).
    3. Perform Driver unlock relay output for 1s after 0.5s when the condition becomes to be KEY IN = ON & Driver door switch = OPEN & Driver door unlock switch = LOCK. (Spec for North America ONLY)
    4. Perform Door unlock relay output for 1s in 0.5s when the condition becomes to be KEY IN = ON & Assist door switch = OPEN & Assist door unlock switch = LOCK
    5. Output CENTRAL UNLOCK for 1s in 0.5s based on (4) if (2), (3) and (4) are satisfied.
    6. Output UNLOCK up to 3 times (excluding output for 1s) if LOCK condition is maintained though UNLOCK output is performed for 1s by (2), (3), (5) (cycle for 1s: 0.5s ON/OFF).
    7. Try UNLOCK once when DOOR is CLOSED while keeping LOCK condition after performing (7).
    8. Output Driver unlock relay once only for 1s when Driver door switch is closed within 0.5s since Driver door unlock switch is changed from UNLOCK to LOCK during KEY IN = ON (North America SPEC ONLY).
    9. Output CENTRAL UNLOCK once only for 1s when Assist door switch is closed within 0.5s since Assist door unlock switch is changed from UNLOCK to LOCK during KEY IN = ON.
    10. Output Driver unlock relay for 1s when Driver door unlock switch becomes LOCK from UNLOCK within 0.5s since Driver door switch is changed from OPEN to CLOSE during KEY IN = ON (North America SPEC ONLY)
    11. Output CENTRAL UNLOCK once only for 1s if Assist door unlock switch becomes to be LOCK from UNLOCK within 0.5s since Assist door switch is changed from OPEN to CLOSE during KEY IN = ON
    12. Perform the function of KEY REMINDER when turning Power window door lock switch ON after opening Driver door switch or Assist door switch during KEY IN = ON.
    13. Judge if RETRY output is performed or not at the point of the beginning of RETRY output (in 1.5s from the initial UNLOCK output).
    14. Output UNLOCK though the condition is not kept for 0.5 sec after realizing that of UNLOCK. But, do not output UNLOCK in case that KEY IN is OFF at the point of 0.5s passed after realizing the condition by the change of UNLOCK → LOCK in Driver door unlock switch or Assist door unlock switch.
      Fig 5: IGN Key Reminder Timing Pattern
      G07369221Courtesy of KIA MOTORS AMERICA, INC.

      T1, T3 : 0.5 ± 0.1sec, T2 : 1 ± 0.1sec,

      T4 : 0.5 sec Max

      ** KEY IN ON : Key In ON (FOB IN ON) or IGN1 ON or IGN2 ON

      KEY IN OFF : Key In OFF (FOB IN OFF) and IGN1 OFF and IGN2 OFF

  5. Passive key reminder unlock (SMK option)
    1. This function will not be operated if the speed of cars exceeds 3 km/h.
    2. Output Door unlock relay for 1s when receiving KEY REMIND (LIN) signal from SMK (smartkey) ECU.
    3. Output UNLOCK up to 3 times if LOCK condition is maintained though UNLOCK is outputted for 1s by (2) (the cycle for 1s: 0.5s ON/OFF)
      Fig 6: Passive Key Reminder Unlock Timing Pattern
      G07369222Courtesy of KIA MOTORS AMERICA, INC.

      T1 : 1 ± 0.1sec,

      T2 : 0.5 ± 0.1sec,

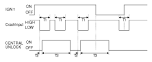
  6. Crash Door Unlock
    1. Always perform CENTRAL UNLOCK *9) output whenever Crash Input signal is inputted while IGN1 is ON.
    2. Keep CENTRAL UNLOCK output for the time left though IGN1 turns OFF from ON while outputting CENTRAL UNLOCK.
    3. Do not output CENTRAL UNLOCK if IGN1 switch turns ON from OFF after Crash Input signal is already inputted.
    4. Output CENTRAL UNLOCK during T3 if Driver Door Unlock switch or Passenger Door Unlock switch or Rear Right Door Unlock switch or Rear Left Door Unlock switch turns to LOCK from UNLOCK after outputting CENTRAL UNLOCK.
    5. Do not perform AUTO DOOR LOCK function at the condition of CRASH UNLOCK.
    6. CRASH DOOR UNLOCK function has priority to LOCK/UNLOCK control by other functions.
    7. Ignore the request for LOCK/UNLOCK by other functions while or after outputting CRASH DOOR UNLOCK. But, control LOCK/UNLOCK by other functions if IGN1 switch becomes OFF.
      Fig 7: Crash Door Unlock Timing Pattern
      G07369223Courtesy of KIA MOTORS AMERICA, INC.

      T1 : 0.2 sec,

      T2 : 40 msec,

      T3 : 5 ± 0.5 sec

  7. Auto Door Lock
    1. AUTO DOOR LOCK is classified into non-activation/20km activation/shift lever change by using SCAN TOOL.
    2. On condition of IGN1 switch ON, turn Door Lock Relay output ON within T1 when keeping more than setting speed in (1). But, do not output LOCK if all DOORS are LOCKED or FAIL at first.
    3. Perform outputting LOCK up to 3 times (cycle for 1s) if either of DOORS is UNLOCKED after outputting LOCK in (2). But, ignore the DOOR that has changed to LOCK condition from UNLOCK during the output 3 times.
    4. Regard the respective DOOR FAILED if it is UNLOCKED after outputting 3 times.
    5. Output LOCK once only if the DOOR is UNLOCKED after the failed DOOR changes (UNLOCK→LOCK).
    6. Output LOCK once only if DOOR which was LOCKED after outputting LOCK in (2) becomes to be UNLOCKED. But, output LOCK once for the respective DOOR although it keeps UNLOCK after LOCK output.
    7. Clear the FAILED DOOR when IGN1 switch is OFF.
    8. Do not perform AUTO DOOR LOCK function on condition of CRASH UNLOCK.
      Fig 8: Door Lock/Unlock Timing Pattern
      G07369224Courtesy of KIA MOTORS AMERICA, INC.

      T1 : Max 1.5 sec,

      T2 : 0.5 ± 0.1 sec

      *1 ON (UNLOCK) : Driver DR Unlock switch|Passenger DR Unlock switch|Rear Right DR Unlock switch|Rear Left DR Unlock switch UNLOCK

      OFF (LOCK) : Driver DR Unlock switch|Passenger DR Unlock switch|Rear Right DR Unlock switch|Rear Left DR Unlock switch LOCK

  8. Auto Door Unlock
    1. AUTO DOOR UNLOCK is classified into non-activation / 20Km activation / 40Km activated / shift lever change by using SCAN TOOL.
    2. If it is set up to be activated, turn DR Unlock Relay ON when turning KEY IN OFF after KEY IN is ON. (But, if all conditions for KNOB are UNLOCK, it will not output.)
    3. AUTO DOOR UNLOCK should operate after outputting AUTO DOOR LOCK (UNLOCK OUTPUT will not occur though the key is removed later if LOCK OUTPUT did not occur because all KNOBS are already LOCKED even though it reached to the operating speed of AUTO DOOR LOCK.)
      Fig 9: Auto Door Unlock Timing Pattern
      G07369225Courtesy of KIA MOTORS AMERICA, INC.

      T1 : 0.5 ± 0.1 sec

      *1 ON (UNLOCK) : Driver DR Unlock switch|Passenger DR Unlock switch|Rear Right DR Unlock switch|Rear Left DR Unlock switch UNLOCK

      OFF (LOCK) : Driver DR Unlock switch|Passenger DR Unlock switch|Rear Right DR Unlock switch|Rear Left DR Unlock switch LOCK

      *2 KEY IN ON : Key In ON or IGN1 ON or IGN2 ON

      KEY IN OFF : Key In OFF and IGN1 OFF and IGN2 OFF