LEMON Manuals: Even more car manuals for everyone: 1960-2025
Home >> Kia >> 2013 >> Soul Base, Automatic Trans >> Repair and Diagnosis >> External Pages >> Different car >> Section 15 (Transfer Assembly) >> Coupling Assembly >> Repair Procedures (F21) >> Removal
April 5, 2026: LEMON Manuals is launched! Read the announcement.

Repair Procedures (F21): Removal

WARNING: This page is about a different car, the 2011 Hyundai Veracruz. However, it is still accessible from the selected car via links, so may be relevant.
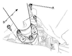
  1. Remove the 4WD coupling assembly bolts (A-3ea) mounted to the rear propeller shaft (B).
    Fig 1: Identifying 4WD Coupling Assembly Bolts
    G06861582Courtesy of HYUNDAI MOTOR CO.
  2. Using a flat tool, separate the propeller shaft from 4WD coupling assembly.
    Fig 2: Identifying Connector
    G06861583Courtesy of HYUNDAI MOTOR CO.
  3. Remove the 4WD coupling assembly mounting bolts (A-4ea).
    Fig 3: Identifying 4WD Coupling Assembly Mounting Bolts
    G06861584Courtesy of HYUNDAI MOTOR CO.
  4. Using a flat tool, separate the 4WD coupling assembly from the rear differential carrier assembly.