LEMON Manuals: Even more car manuals for everyone: 1960-2025
Home >> Kia >> 2013 >> Soul Base, Automatic Trans >> Repair and Diagnosis >> External Pages >> Different car >> Section 66 (Body Control Module (BCM)) >> Description And Operation >> Function >> Wiper & Washer Control >> Rear Wiper Intermittent Control
April 5, 2026: LEMON Manuals is launched! Read the announcement.

Rear Wiper Intermittent Control

WARNING: This page is about a different car, the 2013 Kia Sportage and 2012 Kia Sportage. However, it is still accessible from the selected car via links, so may be relevant.
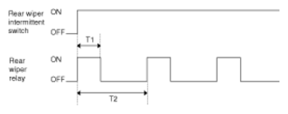
Fig 1: Rear Wiper Intermittent Control Signal Chart
G07426827Courtesy of KIA MOTORS AMERICA, INC.

T1: Rear wiper one time, T2: Rear wiper intmt time

VALUE SPECIFICATION CHART

Value Name Value
Rear Wiper One Time 0.7 sec ± 70 msec
Rear Wiper Intmt Time 6.7 sec ± 0.67 sec