LEMON Manuals: Even more car manuals for everyone: 1960-2025
Home >> Kia >> 2013 >> Soul Base, Standard Trans >> Repair and Diagnosis >> Accessories & Equipment >> Communication Devices >> Body Control Module (BCM) >> Body Control Module (BCM) >> Description and Operation >> Function >> Door Lock/unlock Control
April 5, 2026: LEMON Manuals is launched! Read the announcement.

Door Lock/unlock Control

  1. Door Lock/unlock Control Data Flow
    Fig 1: Door Lock/Unlock Control Data Flow Diagram
    G08329176Courtesy of KIA MOTORS AMERICA, INC.
  2. Door Lock/unlock Relay Control
    1. NON-APPLICABLE SPEC FOR 2-TURN
      Fig 2: Door Lock/Unlock Relay - Circuit Diagram (Non-Applicable Spec For 2-Turn)
      G08329177Courtesy of KIA MOTORS AMERICA, INC.
      Mode Unlock Relay Driver Door Unlock Relay Lock Relay
      CENTRAL LOCK OFF NC ON
      CENTRAL UNLOCK ON NC OFF
    2. 2-Turn Unlock Spec (For North America)
      Fig 3: Door Lock/Unlock Relay - Circuit Diagram (2-Turn Unlock Spec)
      G08329178Courtesy of KIA MOTORS AMERICA, INC.
      Mode Unlock Relay Driver Unlock Relay Lock Relay
      CENTRAL LOCK OFF OFF ON
      CENTRAL UNLOCK ON ON OFF
      DRIVER UNLOCK OFF ON OFF
    3. Turn the present output OFF immediately when reciprocal output is requested while outputting and start outputting reciprocally in 100ms. However, output the last request if there is request for output during the delay of 100ms.
    4. Execute LOCK output and ignore UNLOCK output when the condition for LOCK and UNLOCK is occurred at the same time.
    5. Execute Driver Door Unlock output by the Unlock Relay output when Unlock Relay is requested during Driver Unlock Relay output. (For North America)
  3. Door Key Lock/unlock
    1. In case of DOOR KEY LOCK (UNLOCK) signal of driver's seat, handle as KEY LOCK (UNLOCK) of driver's seat is inputted if the knob in the driver's seat is LOCKED (UNLOCKED) after checking it for 3s.
    2. In case of DOOR KEY LOCK (UNLOCK) signal of the passenger seat, handle as KEY LOCK (UNLOCK) of the passenger seat is inputted if the knob in the passenger seat is LOCKED (UNLOCKED) after checking it for 3s.
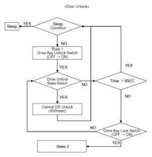
      Fig 4: Door Key Unlock Flow Chart
      G08329179Courtesy of KIA MOTORS AMERICA, INC.
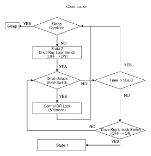
      Fig 5: Door Key Lock Flow Chart
      G08329180Courtesy of KIA MOTORS AMERICA, INC.
  4. Central Door Lock/unlock
    1. If Driver Door Key Lock Switch or Passenger Door Key Lock Switch turns ON, turn Door Lock Relay output ON during T1. But prohibit the output when KEY IN ON and IGN1 are ON.
    2. When Driver Door Key Unlock and Passenger Door Key Unlock turn ON, turn Door Unlock Relay and Driver Door Unlock Relay output ON during T1.
    3. Turn CENTRAL LOCK *1) ON during T1 when receiving TX LOCK signal.

      But ignore LOCK input when Driver Door SW or Passenger Door SW is ON.

    4. Turn CENTRAL UNLOCK *2) ON during T1 when receiving TX UNLOCK signal.
    5. LOCK/UNLOCK by SAFETY KNOB is not interlock (Mechanical operation).
    6. Malfunction should be free when joining BATTERY (Also malfunction should be free at the location of Key In Switch ON).
    7. Input which is less than 60msec should not be received (KEY LOCK/UNLOCK Switch).
    8. Do not execute the output of DOOR LOCK (UNLOCK) by KNOB change.
    9. If Power Window Lock Switch is ON, turn Lock Relay output ON for T1. (NORTH AMERICA)
    10. If Power window Lock Switch is ON, turn CENTRAL UNLOCK output ON for T1. (NORTH AMERICA) But, inhibit operating by Power window Unlock Switch at Lock state by TX.

      *1) CENTRAL LOCK: Refer to control mode for each Spec.

      *2) CENTRAL LOCK: Refer to control mode for each Spec.

      Fig 6: Door Lock And Unlock Relay Waveforms
      G08329181Courtesy of KIA MOTORS AMERICA, INC.

      T1: 0.5 ± 0.1sec

  5. 2-Turn Unlock
    1. If Driver Door Key Unlock Switch turns OFF from ON within T1 after Driver Door Key Unlock Switch turns ON from OFF(Driver Door Unlock Switch becomes UNLOCKED mechanically and does not output BCM.), turn Driver Unlock Relay, Unlcok Relay(Central Unlock) output ON duting T2.
    2. If TX UNLOCK is received within T1 after Driver Door Key Unlock Switch turns ON from OFF (Driver Door Unlcok Switch becomes UNLOCKED mechanically and does not output BCM.), turn Driver Unlock Relay and Unlock Relay (Central Unlock) output ON during T2.
    3. Turn Driver Unlock Relay output ON during T2 when receiving TX UNLOCK signal. However, turn Driver Unlock Relay, Unlock Relay (Central Unlock) output duting T2 if TX UNLOCK is received within T1.
    4. Also, turn Driver Unlock Relay, Unlock Relay (Central Unlock) ON during T2 in case that Driver Door Key Unlock Switch turns ON from OFF within T1 after receiving TX UNLOCK.
    5. Regard as the same TX even though different signal which is registered within T1 is received.
    6. If turn Lock Relay output ON by TX Lock or Driver/Assist Key lock Switch, T1 is initialized.
    7. Assist Key Unlock Switch turns ON from OFF, turn Driver Unlock Relay and Unlock Relay (Central Unlock) output ON during T2.
      Fig 7: TX, Lock And Unlock Relay, DR Unlock Relay Waveforms
      G08329182Courtesy of KIA MOTORS AMERICA, INC.
      Fig 8: TX Signal, Lock And Unlock Relay, DR Unlock Relay And DR Door Key Lock Switch Waveforms
      G08329183Courtesy of KIA MOTORS AMERICA, INC.

      T1: 4 ± 1sec, T2: 0.5 ± 0.1sec

  6. IGN Key Reminder
    1. This function will not be operated if the speed of cars exceeds 3km/h.
    2. Perform Unlock Relay output for 1s after 0.5s when the condition becomes to be KEY IN = ON& Driver Door open Switch = OPEN & Driver Door Unlock Switch = LOCK(Regions for North America).
    3. Perform Driver Unlock Relay output for 1s after 0.5s when the condition becomes to be KEY IN = ON & Driver Door open Switch = OPEN & Driver Door Unlock Switch = LOCK. (Spec for North America ONLY)
    4. Perform Unlock Relay output for 1s in 0.5s when the condition becomes to be KEY IN = ON & Assist Door Open Switch =OPEN & Assist Door Unlock Switch = LOCK.
    5. Output CENTRAL UNLOCK for 1s in 0.5s based on (4) if (1), (3) and (4) are satisfied.
    6. Output UNLOCK up to 3 times(excluding output for 1s) if LOCK condition is maintained though UNLOCK output is performed for 1s by (2), (3), (4) (cycle for 1s: 0.5s ON/OFF).
    7. Try UNLOCK once when DOOR is CLOSED while keeping LOCK condition after performing (6).
    8. Output Driver Unlock Relay once only for 1s when Driver Door open Switch is closed within 0.5s since Driver Door Unlock Switch is changed from UNLOCK to LOCK during KEY IN = ON(North America SPEC ONLY).
    9. Output CENTRAL UNLOCK once only for 1s when Assist Door Open Switch is closed within 0.5s since Assist Door Unlock Switch is changed from UNLOCK to LOCK during KEY IN = ON.
    10. Output Driver Unlock Relay for 1s when Driver Door Unlock Switch becomes LOCK from UNLOCK within 0.5s since Driver Door open Switch is changed from OPEN to CLOSE during KEY IN = ON(North America SPEC ONLY)
    11. Output CENTRAL UNLOCK once only for 1s if Assist Door Unlock Switch becomes to be LOCK from UNLOCK within 0.5s since Assist Door Open Switch is changed from OPEN to CLOSE during KEY IN = ON.
    12. Jugde if RETRY output is performed or not at the point of the beginnig of RETRY output(in 1.5s from the initial UNLOCK output).
    13. Output UNLOCK though the condition is not kept for 0.5sec after realizing that of UNLOCK. But, do not output UNLOCK in case that KEY IN is OFF at the point of 0.5s passed after realizing the condition by the change of UNLOCK → LOCK in Driver Door Unlock Switch or Assist Door Unlock Switch.
      Fig 9: Key In, Driver Door Unlock Switch And Central Unlock Waveforms
      G08329184Courtesy of KIA MOTORS AMERICA, INC.

      T1, T3: 0.5 ± 0.1sec, T2: 1 ± 0.1sec,

      T4: 0.5sec Max

      ** KEY IN ON: Key In ON or IGN1 ON or IGN2 ON

      KEY IN OFF: Key In OFF and IGN1 OFF and IGN2 OFF

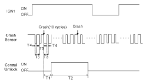
  7. Crash Door Unlock
    1. Always perform CENTRAL UNLOCK output whenever Crash Sensor signal is inputted(Duty 20%±10%) while IGN1 is ON. (But ignore Sensor input during 5sec output.)
    2. Jugde Sensor Fail if Crash Sensor signal is more than T3, Crash Door Unlock is not operated.
    3. Keep CENTRAL UNLOCK output for the time left though IGN1 turns OFF from ON while outputting CENTRAL UNLOCK.
    4. Do not output CENTRAL UNLOCK if IGN1 switch turns ON from OFF after Crash Sensor signal is already inputted..
    5. Output CENTRAL UNLOCK during T3 Driver Door Unlock switch or Assist Door Unlock switch or Rear Door Unlock switch turns to LOCK from UNLOCK after outputting CENTRAL UNLOCK.
    6. Do not perform AUTO DOOR LOCK function at the condition of CRASH UNLOCK.
    7. CRASH DOOR UNLOCK function has priority to LOCK/UNLOCK control by other functions.
    8. Ignore the request for LOCK/UNLOCK by other functions while or after outputting CRASH DOOR UNLOCK. But, control LOCK/UNLOCK by other functions if IGN1 switch becomes OFF.
      Fig 10: IGN1, Crash Sensor And Central Unlock Waveforms
      G08329185Courtesy of KIA MOTORS AMERICA, INC.

      T1: Min 40ms, T2: 5 ± 0.5s,

      T3: 20 ± 2ms, T4: 16 ± 2ms,

      T5: 4 ± 2ms