LEMON Manuals: Even more car manuals for everyone: 1960-2025
Home >> Kia >> 2013 >> Soul Base, Standard Trans >> Repair and Diagnosis >> External Pages >> Different car >> Section 65 (Smart Key System) >> Smart Key Unit >> Schematic Diagrams >> Circuit Diagram
April 5, 2026: LEMON Manuals is launched! Read the announcement.

Circuit Diagram

WARNING: This page is about a different car, the 2013 Kia Sportage and 2012 Kia Sportage. However, it is still accessible from the selected car via links, so may be relevant.
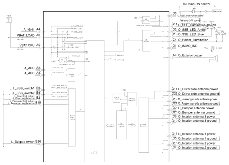
Fig 1: Smart Key Unit Circuit Diagram (1 Of 2)
G07426739Courtesy of KIA MOTORS AMERICA, INC.
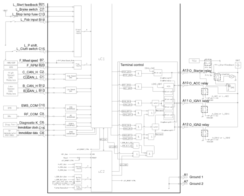
Fig 2: Smart Key Unit Circuit Diagram (2 Of 2)
G07426740Courtesy of KIA MOTORS AMERICA, INC.