LEMON Manuals: Even more car manuals for everyone: 1960-2025
Home >> Kia >> 2016 >> Optima Hybrid >> Repair and Diagnosis >> Engine Performance >> Engine Control Systems >> Engine Control System (HEV) >> Engine Control Module (ECM) >> Schematic Diagram >> Circuit Diagram
April 5, 2026: LEMON Manuals is launched! Read the announcement.

Circuit Diagram

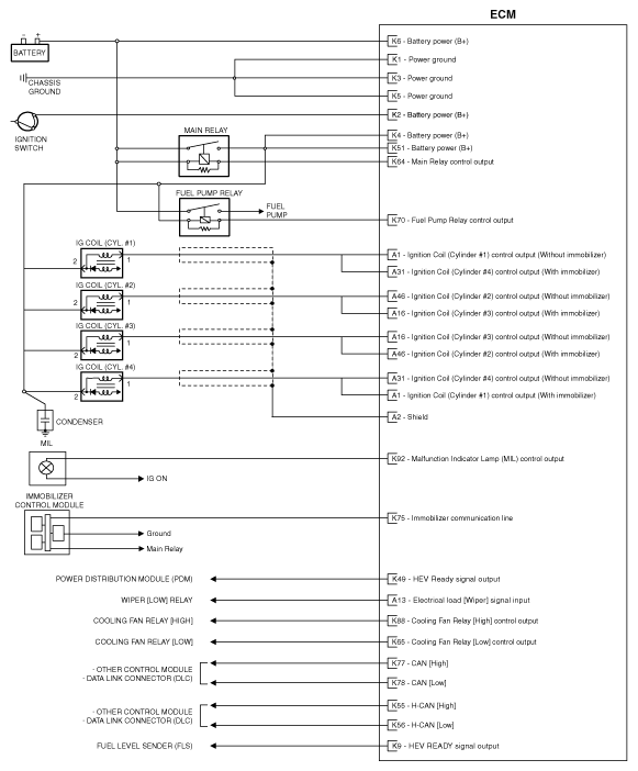
Fig 1: Engine Control System Circuit Diagram (1 Of 4)
G11815721Courtesy of KIA MOTORS AMERICA, INC.
Fig 2: Engine Control System Circuit Diagram (2 Of 4)
G11815722Courtesy of KIA MOTORS AMERICA, INC.
Fig 3: Engine Control System Circuit Diagram (3 Of 4)
G11815723Courtesy of KIA MOTORS AMERICA, INC.
Fig 4: Engine Control System Circuit Diagram (4 Of 4)
G11815724Courtesy of KIA MOTORS AMERICA, INC.