LEMON Manuals: Even more car manuals for everyone: 1960-2025
Home >> Kia >> 2017 >> Cadenza Technology >> Repair and Diagnosis >> Accessories & Equipment >> Anti-Theft Systems >> Smart Key System >> Smart Key Unit >> Schematic Diagrams >> Circuit Diagram
April 5, 2026: LEMON Manuals is launched! Read the announcement.

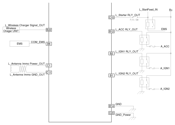
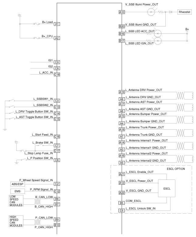
Circuit Diagram

Fig 1: Smart Key Unit Circuit Diagram (1 Of 2)
G12298933Courtesy of KIA MOTORS AMERICA, INC.
Fig 2: Smart Key Unit Circuit Diagram (2 Of 2)
G12298934Courtesy of KIA MOTORS AMERICA, INC.