LEMON Manuals: Even more car manuals for everyone: 1960-2025
Home >> Kia >> 2017 >> Cadenza Technology >> Repair and Diagnosis >> Accessories & Equipment >> Communication Devices >> Body Control Module Diagnosis >> DTC B163E-00: Rain Sensor Module LIN Fault >> Wiring Inspection >> Terminal And Connector Inspection
April 5, 2026: LEMON Manuals is launched! Read the announcement.

Terminal And Connector Inspection

  1. Many malfunctions in the electrical system are caused by poor harness and terminals.

    Faults can also be caused by interference from other electrical systems, and mechanical or chemical damage.

  2. Thoroughly check all connectors (and connections) for looseness, bending, corrosion, contamination, deterioration, or damage.
  3. Has a problem been found?
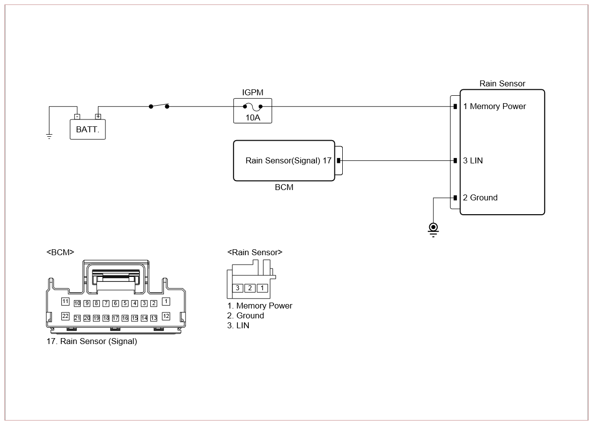
Fig 1: IGPM & Rain Sensor Circuit Diagram With Connector End View
G12287630Courtesy of KIA MOTORS AMERICA, INC.

YES 

NO