LEMON Manuals: Even more car manuals for everyone: 1960-2025
Home >> Kia >> 2017 >> Forte LX, Standard Trans >> Repair and Diagnosis >> External Pages >> Different car >> Section 192 (Smart Key System) >> Smart Key Unit >> Schematic Diagrams >> Circuit Diagram
April 5, 2026: LEMON Manuals is launched! Read the announcement.

Circuit Diagram

WARNING: This page is about a different car, the 2017 Kia Niro. However, it is still accessible from the selected car via links, so may be relevant.
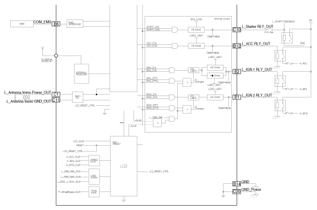
Fig 1: Smart Key Unit System Circuit (1 Of 2)
G12335136Courtesy of KIA MOTORS AMERICA, INC.
Fig 2: Smart Key Unit System Circuit (2 Of 2)
G12335137Courtesy of KIA MOTORS AMERICA, INC.