LEMON Manuals: Even more car manuals for everyone: 1960-2025
Home >> Kia >> 2017 >> Soul Base, Automatic Trans >> Repair and Diagnosis >> Brakes >> Traction Control >> Electronic Stability Control (ESC) System >> Description And Operation >> ESC Operation Mode >> ESC Operation Mode
April 5, 2026: LEMON Manuals is launched! Read the announcement.

ESC Operation Mode

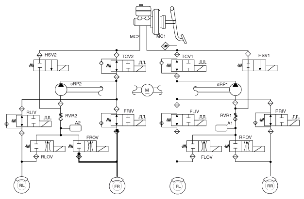
  1. ESC Non-operation-Normal braking.
      Inlet valve(IV) Outlet valve(OV) Traction Control Valve (TCV) High pressure switch valve(HSV) Return pump
    Normal braking Open Close Open Close OFF
    Fig 1: Electronic Stability Control System Circuit Diagram - ESC Non-Operation-Normal Braking
    G12225602Courtesy of KIA MOTORS AMERICA, INC.
    NOTE: IV: Inlet Valve
    OV: Outlet Valve
    RL: Rear left wheel
    FR: Front right wheel
    FL: Front left wheel
    RR: Rear right wheel
    RP: Return pump
    TCV: Traction Control Valve
    HSV: High pressure Switch Valve
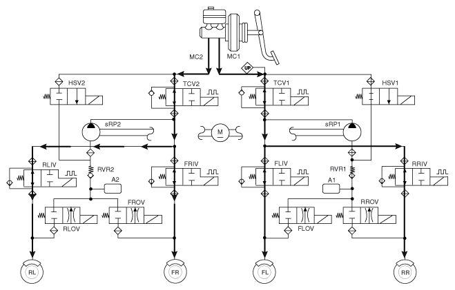
  2. ESC Increase Mode
      Inlet valve(IV) Outlet valve(OV) Traction Control Valve (TCV) High pressure switch valve(HSV) Return pump
    Normal braking Open Close Close (Partial) Open ON (Motor speed control)
    Fig 2: Electronic Stability Control System Circuit Diagram - ESC Increase Mode
    G12225603Courtesy of KIA MOTORS AMERICA, INC.
    NOTE: IV: Inlet Valve
    OV: Outlet Valve
    RL: Rear left wheel
    FR: Front right wheel
    FL: Front left wheel
    RR: Rear right wheel
    RP: Return pump
    TCV: Traction Control Valve
    HSV: High pressure Switch Valve
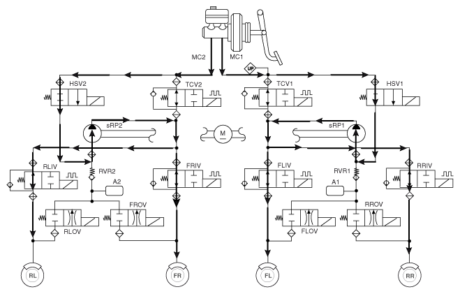
  3. ESC Hold Mode (FR is only controlled.)
      Inlet valve(IV) Outlet valve(OV) Traction Control Valve (TCV) High pressure switch valve(HSV) Return pump
    Normal braking Close Close Close (Partial) Open OFF
    Fig 3: Electronic Stability Control System Circuit Diagram - ESC Hold Mode (FR Only Controlled)
    G12225604Courtesy of KIA MOTORS AMERICA, INC.
    NOTE: IV: Inlet Valve
    OV: Outlet Valve
    RL: Rear left wheel
    FR: Front right wheel
    FL: Front left wheel
    RR: Rear right wheel
    RP: Return pump
    TCV: Traction Control Valve
    HSV: High pressure Switch Valve
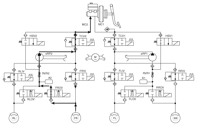
  4. ESC Decrease Mode (FR is only controlled)
      Inlet valve(IV) Outlet valve(OV) Traction Control Valve (TCV) High pressure switch valve(HSV) Return pump
    Normal braking Close Open Close (Partial) Open ON (Motor speed low control)
    Fig 4: Electronic Stability Control System Circuit Diagram - ESC Decrease Mode (FR Only Controlled)
    G12225605Courtesy of KIA MOTORS AMERICA, INC.
    NOTE: IV: Inlet Valve
    OV: Outlet Valve
    RL: Rear left wheel
    FR: Front right wheel
    FL: Front left wheel
    RR: Rear right wheel
    RP: Return pump
    TCV: Traction Control Valve
    HSV: High pressure Switch Valve
Fig 5: Locating ABS Warning Lamp, ESC OFF Lamp And EBD/Parking Brake Warning Lamp
G12225606Courtesy of KIA MOTORS AMERICA, INC.