LEMON Manuals: Even more car manuals for everyone: 1960-2025
Home >> Kia >> 2017 >> Soul Base, Automatic Trans >> Repair and Diagnosis >> Engine Performance >> System >> Engine Control System Diagnosis - 1.6L (1 Of 3) >> DTC P0139: O2 Sensor Circuit Slow Response (Bank 1/Sensor 2) >> Wiring Inspection >> Terminal and Connector Inspection
April 5, 2026: LEMON Manuals is launched! Read the announcement.

Terminal and Connector Inspection

  1. Many malfunctions in the electrical system are caused by poor harness and terminals.

    Faults can also be caused by interference from other electrical systems, and mechanical or chemical damage.

  2. Thoroughly check connectors between PCM and components including: backed out terminal, improper mating, broken locks, looseness, poor connection, bending, corrosion, contamination, deterioration, damage or poor terminal to wire connection.
  3. Has a problem been found?
    Fig 1: Heater Oxygen Sensor Circuit Diagram (A/T) And Connector End View
    G12211936Courtesy of KIA MOTORS AMERICA, INC.
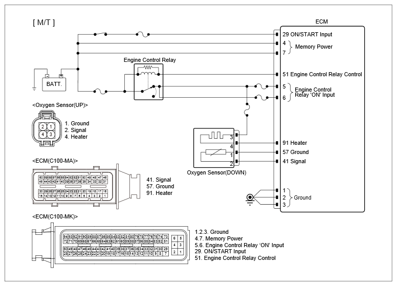
    Fig 2: Heater Oxygen Sensor Circuit Diagram (M/T) And Connector End View
    G12211937Courtesy of KIA MOTORS AMERICA, INC.

    YES 

    NO