LEMON Manuals: Even more car manuals for everyone: 1960-2025
Home >> Kia >> 2019 >> Forte LXS >> Repair and Diagnosis >> Engine Performance >> System >> Engine Control System Diagnosis (2 Of 6) >> DTC P0134-00: O2 Sensor Circuit No Activity Detected (Bank 1 Sensor 1) >> Wiring Inspection >> Circuit Inspection
April 5, 2026: LEMON Manuals is launched! Read the announcement.

Circuit Inspection

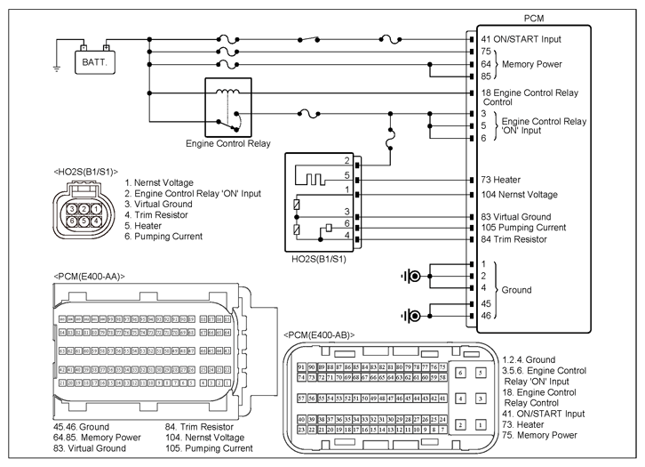
G12850937Courtesy of KIA MOTORS AMERICA, INC.
Inspection Condition (+) Probe (-) Probe Specification
Connector Terminal Connector Terminal
  1. Ignition "OFF".
  2. Disconnect the electrical connector(s) from the concerned component.
  3. Ignition "ON".
HO2S (B1/S1) connector 1 (Nernst Voltage) Chassis ground - 0V
HO2S (B1/S1) connector 3 (Virtual ground) Chassis ground - 0V
HO2S (B1/S1) connector 6 (Pumping Current) Chassis ground - 0V
HO2S (B1/S1) connector 4 (Trim Resistor) Chassis ground - 0V
  1. Ignition "OFF".
  2. Disconnect the electrical connector(s) from the concerned component.
HO2S (B1/S1) connector 1 (Nernst Voltage) PCM connector 104 (Nernst Voltage) below 1Ω
HO2S (B1/S1) connector 3 (Virtual ground) PCM connector 83 (Virtual ground) below 1Ω
HO2S (B1/S1) connector 6 (Pumping Current) PCM connector 105 (Pumping Current) below 1Ω
HO2S (B1/S1) connector 4 (Trim Resistor) PCM connector 84 (Trim Resistor) below 1Ω

Good 

No Good