LEMON Manuals: Even more car manuals for everyone: 1960-2025
Home >> Kia >> 2019 >> K900 >> Repair and Diagnosis >> Engine Performance >> System >> Engine Control System Diagnosis (2 Of 8) >> DTC P0156-00: O2 Sensor Circuit (Bank 2/Sensor 2) >> Wiring Inspection >> Circuit Inspection
April 5, 2026: LEMON Manuals is launched! Read the announcement.

Circuit Inspection

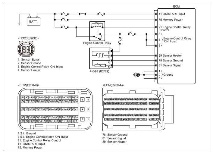
G13133103Courtesy of KIA MOTORS AMERICA, INC.
Inspection Condition (+) Probe (-) Probe Specification
Connector Terminal Connector Terminal
  1. Disconnect the electrical connector (s) from the concerned component.
  2. Ignition "ON".
HO2S#4 (B2/S2) connector 1 (sensor signal) Chassis ground - Approx. 0.3V
HO2S#4 (B2/S2) connector 2 (sensor ground) Chassis ground - Approx. 0V
  1. Ignition "OFF".
  2. Disconnect the electrical connector (s) from the concerned component.
HO2S#4 (B2/S2) connector 1 (sensor signal) Chassis ground - ∞ (Infinite)Ω

Good 

No Good