LEMON Manuals: Even more car manuals for everyone: 1960-2025
Home >> Kia >> 2019 >> K900 >> Repair and Diagnosis >> Engine Performance >> System >> Engine Control System Diagnosis (6 Of 8) >> DTC P0A1A-00: Generator Control Module >> Wiring Inspection >> Circuit Inspection
April 5, 2026: LEMON Manuals is launched! Read the announcement.

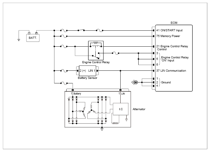
Circuit Inspection

G13134063Courtesy of KIA MOTORS AMERICA, INC.
G13134064Courtesy of KIA MOTORS AMERICA, INC.
Inspection Condition (+) Probe (-) Probe Specification
Connector Terminal Connector Terminal
  1. Ignition "OFF".
  2. Disconnect battery (-) cable.
  3. Disconnect the electrical connector (s) from the concerned component and ECM.
Alternator connector 1 (LIN COM) ECM connector 69 (LIN COM) Approx. below 1Ω
Alternator connector 1 (LIN COM) Chassis ground - ∞ (Infinite)Ω

Good 

No Good