LEMON Manuals: Even more car manuals for everyone: 1960-2025
Home >> Kia >> 2019 >> Optima EX >> Repair and Diagnosis >> External Pages >> Different variant/trim >> Section 180 (Smart Key System (PHEV)) >> Smart Key Unit >> Schematic Diagrams >> Circuit Diagram
April 5, 2026: LEMON Manuals is launched! Read the announcement.

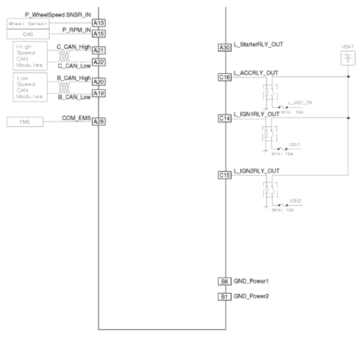
Circuit Diagram

WARNING: This page is about a different variant/trim than selected.
G13158499Courtesy of KIA MOTORS AMERICA, INC.
G13158500Courtesy of KIA MOTORS AMERICA, INC.