LEMON Manuals: Even more car manuals for everyone: 1960-2025
Home >> Kia >> 2019 >> Optima EX >> Repair and Diagnosis >> External Pages >> Different variant/trim >> Section 68 (Automatic Transaxle Control System (HEV)) >> Transaxle Control Module (TCM) >> Schematic Diagrams >> Circuit Diagram
April 5, 2026: LEMON Manuals is launched! Read the announcement.

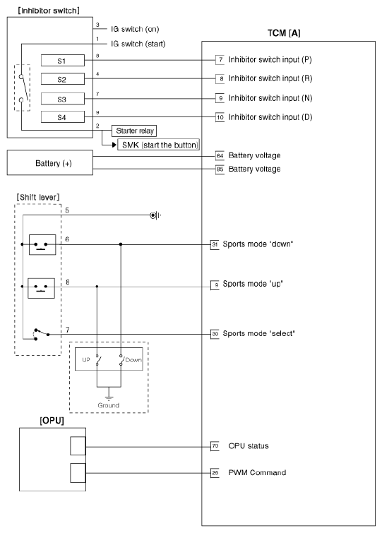
Circuit Diagram

WARNING: This page is about a different variant/trim than selected.
G13077807Courtesy of KIA MOTORS AMERICA, INC.
G13077808Courtesy of KIA MOTORS AMERICA, INC.