LEMON Manuals: Even more car manuals for everyone: 1960-2025
Home >> Kia >> 2019 >> Rio LX >> Repair and Diagnosis >> Engine Performance >> System >> Engine Control System Diagnosis (6 Of 6) >> DTC P2414-00: O2 Sensor Exhaust Sample Error (Bank 1 Sensor 1) >> Wiring Inspection >> Circuit Inspection
April 5, 2026: LEMON Manuals is launched! Read the announcement.

Circuit Inspection

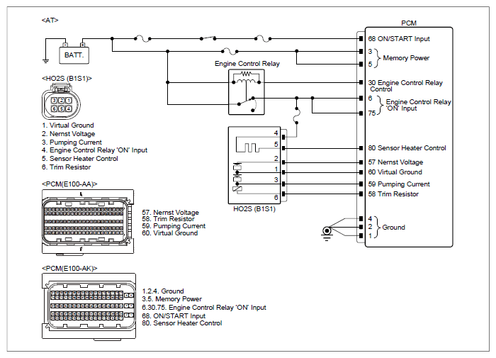
G12580527Courtesy of KIA MOTORS AMERICA, INC.
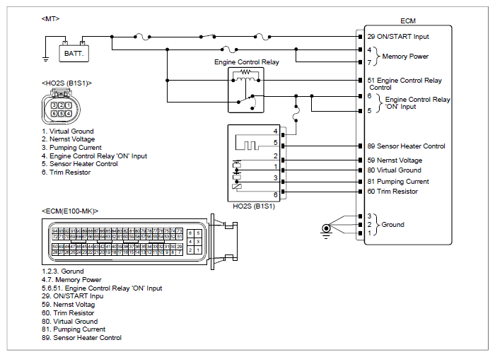
G12580528Courtesy of KIA MOTORS AMERICA, INC.
Inspection Condition (+) Probe (-) Probe Specification
Connector Terminal Connector Terminal
  1. Ignition "OFF".
  2. Disconnect HO2S (B1/S1) and ECM/PCM connector.
HO2S (B1/S1) harness connector 1 (Virtual ground) PCM/ECM 60/80 (Virtual ground) Below 1Ω
2 (Nernst Voltage) 57/59 (Nernst Voltage) Below 1Ω
3 (Pumping Current) 59/81 (Pumping Current) Below 1Ω
6 (Trim Resistor) 58/60 (Trim Resistor) Below 1Ω

Good 

No Good