LEMON Manuals: Even more car manuals for everyone: 1960-2025
Home >> Kia >> 2019 >> Sedona L >> Repair and Diagnosis >> Engine Performance >> System >> Engine Control System Diagnosis (7 Of 7) >> DTC P2414-00: O2 Sensor Exhaust Sample Error (Bank 1 Sensor 1) >> Wiring Inspection >> Circuit Inspection
April 5, 2026: LEMON Manuals is launched! Read the announcement.

Circuit Inspection

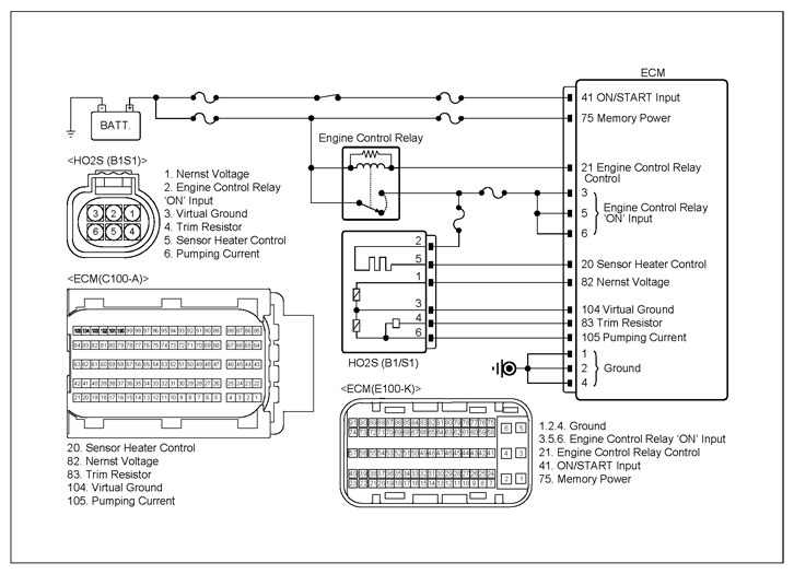
G13041253Courtesy of KIA MOTORS AMERICA, INC.
Inspection Condition (+) Probe (-) Probe Specification
Connector Terminal Connector Terminal
  1. Disconnect the electrical connector(s) from the concerned component.
  2. Ignition "ON".
HO2S#1 (B1/S1) connector 1 (Nernst Voltage) Chassis ground - Approx. 0V
HO2S#1 (B1/S1) connector 3 (Virtual ground) Chassis ground - Approx. 0V
HO2S#1 (B1/S1) connector 4 (Trim Resister) Chassis ground - Approx. 0V
HO2S#1 (B1/S1) connector 6 (Pumping Current) Chassis ground - Approx. 0V
  1. Ignition "OFF".
  2. Disconnect battery (-) cable.
  3. Disconnect the electrical connector(s) from the concerned component and ECM.
HO2S#1 (B1/S1) connector 1 (Nernst Voltage) Chassis ground - ∞ (Infinite)Ω
HO2S#1 (B1/S1) connector 3 (Virtual ground) Chassis ground - ∞ (Infinite)Ω
HO2S#1 (B1/S1) connector 4 (Trim Resister) Chassis ground - ∞ (Infinite)Ω
HO2S#1 (B1/S1) connector 6 (Pumping Current) Chassis ground - ∞ (Infinite)Ω
HO2S#1 (B1/S1) connector 1 (Nernst Voltage) ECM connector 82 (Nernst Voltage) below 1Ω
HO2S#1 (B1/S1) connector 3 (Virtual ground) ECM connector 104 (Virtual ground) below 1Ω
HO2S#1 (B1/S1) connector 4 (Trim Resister) ECM connector 83 (Trim Resister) below 1Ω
HO2S#1 (B1/S1) connector 6 (Pumping Current) ECM connector 105 (Pumping Current) below 1Ω

Good 

No Good