LEMON Manuals: Even more car manuals for everyone: 1960-2025
Home >> Kia >> 2021 >> Forte GT, Standard Trans >> Repair and Diagnosis >> Engine Performance >> System >> Engine Control System Diagnosis - 1.6L (6 Of 6) >> DTC U012D-00: Lost Communication With Generator Control Module >> Wiring Inspection >> Circuit Inspection
April 5, 2026: LEMON Manuals is launched! Read the announcement.

Circuit Inspection

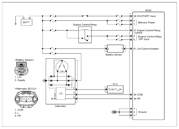
G13292749Courtesy of KIA MOTORS AMERICA, INC.
Inspection Condition (+) Probe (-) Probe Specification
Connector Terminal Connector Terminal
  1. Ignition "OFF".
  2. Disconnect the electrical connector(s) from the concerned component.
  3. Ignition "ON".
Alternator connector 3 (FR) Chassis ground - Approx. 11.8V
Alternator connector 2 (L) Chassis ground - Approx. 11.6V
Alternator connector 1 (COM) Chassis ground - Approx. 2.2V

Good 

No Good