LEMON Manuals: Even more car manuals for everyone: 1960-2025
Home >> Kia >> 2021 >> K5 EX >> Repair and Diagnosis >> Engine Performance >> System >> Engine Control System Diagnosis - 1.6L (5 Of 7) >> DTC P0A1A-00: Generator Control Module >> Wiring Inspection >> Circuit Inspection
April 5, 2026: LEMON Manuals is launched! Read the announcement.

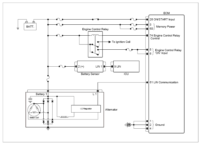
Circuit Inspection

G13809447Courtesy of KIA MOTORS AMERICA, INC.
Inspection Condition (+) Probe (-) Probe Specification
Connector Terminal Connector Terminal
  1. Ignition "OFF".
  2. Disconnect the electrical connector(s) from the concerned component.
Alternator connector 1 (LIN) ECM connector 61 (LIN COM) Approx. below 1Ω
Alternator connector 1 (LIN) Chassis ground - ∞ (infinity)Ω

Good 

No Good