LEMON Manuals: Even more car manuals for everyone: 1960-2025
Home >> Kia >> 2021 >> K5 GT-Line, AWD >> Repair and Diagnosis >> Body & Frame >> Body, Cab Control Systems >> Driver Door Module Diagnosis >> DTC B169B-00: Left Intelligent CONN Module (I-CON) LIN Communication Error >> Wiring Inspection >> Circuit Inspection
April 5, 2026: LEMON Manuals is launched! Read the announcement.

Circuit Inspection

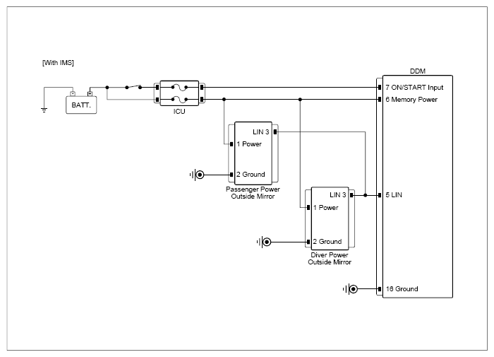
G13807481Courtesy of KIA MOTORS AMERICA, INC.
Module Inspection
Inspection Condition (+) Probe (-) Probe Specification
Connector Terminal Connector Terminal
 
  1. Ignition "ON".
DDM connector 6 (Memory power) Chassis ground - B+
DDM connector 7 (ON/START Input) Chassis ground - B+
 
  1. Ignition "OFF".
  2. Disconnect the battery (-) cable.
  3. Disconnect the electrical connector(s) from the concerned component.
DDM connector 16 (ground) Chassis ground - Approx. below 1Ω

Good 

No Good 

CAN INSPECTION

CAN Inspection
Inspection Condition (+) Probe (-) Probe Specification
Connector Terminal Connector Terminal
 
  1. Ignition "OFF".
  2. Disconnect the battery (-) cable.
  3. Disconnect the electrical connector(s) from the concerned component.
DDM connector 5 (LIN) Driver power outside mirror connector 3 (LIN) Approx. below 1Ω
DDM connector 6 (Memory power) Driver power outside mirror connector 1 (power) Approx. below 1Ω
Driver power outside mirror connector 3 (LIN) Chassis ground - ∞ (infinity)Ω
Driver power outside mirror connector 1 (power) Chassis ground - ∞ (infinity)Ω
 
  1. Ignition "ON".
DDM connector 5 (LIN) Chassis ground - Fig.1
G13807482Courtesy of KIA MOTORS AMERICA, INC.

Good 

No Good