LEMON Manuals: Even more car manuals for everyone: 1960-2025
Home >> Kia >> 2021 >> K5 GT-Line, AWD >> Repair and Diagnosis >> Engine Performance >> System >> Engine Control System Diagnosis - 1.6L (5 Of 7) >> DTC P064A-00: Fuel Pump Control Module >> Wiring Inspection >> Circuit Inspection
April 5, 2026: LEMON Manuals is launched! Read the announcement.

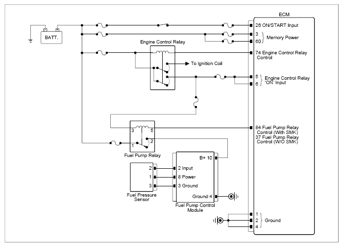
Circuit Inspection

G13809401Courtesy of KIA MOTORS AMERICA, INC.
Inspection Condition (+) Probe (-) Probe Specification
Connector Terminal Connector Terminal
  1. Engine "ON".
Fuel pump control module connector 10 (fuel pump +) Chassis ground - 0V
  1. Ignition "OFF".
  2. Disconnect the electrical connector(s) from the concerned component.
Fuel pump control module connector 4 (ground) Chassis ground - Approx. below 1Ω

Good 

No Good