LEMON Manuals: Even more car manuals for everyone: 1960-2025
Home >> Kia >> 2021 >> K5 GT-Line, AWD >> Repair and Diagnosis >> Engine Performance >> System >> Engine Control System Diagnosis - 1.6L (5 Of 7) >> DTC P1932-00: Valve Duration Control Module EEPROM Internal Fault >> Wiring Inspection >> Circuit Inspection
April 5, 2026: LEMON Manuals is launched! Read the announcement.

Circuit Inspection

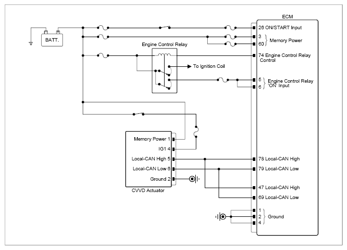
G13809519Courtesy of KIA MOTORS AMERICA, INC.
Inspection Condition (+) Probe (-) Probe Specification
Connector Terminal Connector Terminal
  1. Ignition "OFF".
  2. Disconnect the electrical connector(s) from the concerned component.
  3. Ignition "ON".
CVVD actuator connector 4 (IG1 Input) Chassis ground - B+
CVVD actuator connector 1 (Memory power) Chassis ground - B+
CVVD actuator connector 5 (Local-CAN high) Chassis ground - Fig.1
CVVD actuator connector 6 (Local-CAN low) Chassis ground -
  1. Ignition "OFF".
  2. Disconnect the electrical connector(s) from the concerned component.
CVVD actuator connector 2 (ground) Chassis ground - Approx. below 1Ω
G13809520Courtesy of KIA MOTORS AMERICA, INC.

Good 

No Good