LEMON Manuals: Even more car manuals for everyone: 1960-2025
Home >> Kia >> 2021 >> Rio LX >> Repair and Diagnosis >> Engine Performance >> System >> Engine Control System Diagnosis (2 Of 6) >> DTC P0133-00: O2 Sensor Circuit Slow Response (Bank 1/Sensor 1) >> Wiring Inspection >> Circuit Inspection
April 5, 2026: LEMON Manuals is launched! Read the announcement.

Circuit Inspection

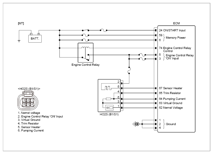
G13708392Courtesy of KIA MOTORS AMERICA, INC.
G13708393Courtesy of KIA MOTORS AMERICA, INC.
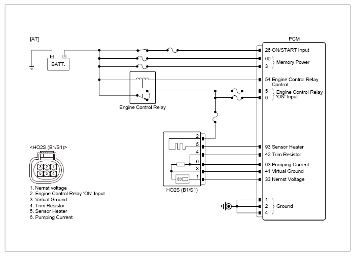
G13708394Courtesy of KIA MOTORS AMERICA, INC.
G13708395Courtesy of KIA MOTORS AMERICA, INC.
Inspection Condition (+) Probe (-) Probe Specification
Connector Terminal Connector Terminal
  1. Ignition "OFF".
  2. Disconnect the electrical connector (s) from the concerned component.
  3. Ignition "ON".
HO2S (B1/S1) connector 1 (nernst cell) Chassis ground - Approx. 0.3V (duty signal)
HO2S (B1/S1) connector 3 (virtual ground) Chassis ground - Approx. 0V
HO2S (B1/S1) connector 6 (current pump) Chassis ground - Approx. 0V
HO2S (B1/S1) connector 4 (current adjust) Chassis ground - Approx. 0V
  1. Ignition "OFF".
  2. Disconnect the electrical connector (s) from the concerned component.
HO2S (B1/S1) connector 1 (nernst cell) PCM connector 33 (nernst cell) Approx. below 1Ω
HO2S (B1/S1) connector 1 (nernst cell) ECM connector 62 (nernst cell) Approx. below 1Ω
HO2S (B1/S1) connector 3 (virtual ground) PCM connector 41 (virtual ground) Approx. below 1Ω
HO2S (B1/S1) connector 3 (virtual ground) ECM connector 63 (virtual ground) Approx. below 1Ω
HO2S (B1/S1) connector 6 (current pump) PCM connector 63 (pumping current) Approx. below 1Ω
HO2S (B1/S1) connector 6 (current pump) ECM connector 64 (pumping current) Approx. below 1Ω
HO2S (B1/S1) connector 4 (current adjust) PCM connector 42 (trim resistor) Approx. below 1Ω
HO2S (B1/S1) connector 4 (current adjust) ECM connector 65 (trim resistor) Approx. below 1Ω
HO2S (B1/S1) connector 1 (nernst cell) Chassis ground - ∞ (infinity)Ω
HO2S (B1/S1) connector 6 (current pump) Chassis ground - ∞ (infinity)Ω
HO2S (B1/S1) connector 4 (current adjust) Chassis ground - ∞ (infinity)Ω

Good 

No Good