LEMON Manuals: Even more car manuals for everyone: 1960-2025
Home >> Kia >> 2021 >> Telluride EX, FWD >> Repair and Diagnosis >> Engine Performance >> System >> Engine Control System Diagnosis (2 Of 7) >> DTC P0135-00: O2 Sensor Heater Circuit (Bank 1/Sensor 1) >> Wiring Inspection >> Circuit Inspection
April 5, 2026: LEMON Manuals is launched! Read the announcement.

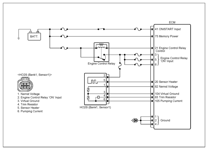
Circuit Inspection

G13333766Courtesy of KIA MOTORS AMERICA, INC.
G13333767Courtesy of KIA MOTORS AMERICA, INC.
Inspection Condition (+) Probe (-) Probe Specification
Connector Terminal Connector Terminal
  1. Disconnect the electrical connector(s) from the concerned component.
  2. Ignition "ON".
HO2S (Bank1, Sensor1) connector 2 (power) Chassis ground - B+
HO2S (Bank1, Sensor1) connector 5 (heater) Chassis ground - Approx. 2.5V
  1. Ignition "OFF".
  2. Disconnect battery (-) cable.
  3. Disconnect the electrical connector(s) from the concerned component.
HO2S (Bank1, Sensor1) connector 5 (heater) Chassis ground - ∞ (infinity)Ω

Good 

No Good