LEMON Manuals: Even more car manuals for everyone: 1960-2025
Home >> Kia >> 2021 >> Telluride S, FWD >> Repair and Diagnosis >> Engine Performance >> System >> Engine Control System Diagnosis (5 Of 7) >> DTC P064A-00: Fuel Pump Control Module >> Wiring Inspection >> Circuit Inspection
April 5, 2026: LEMON Manuals is launched! Read the announcement.

Circuit Inspection

G13334789Courtesy of KIA MOTORS AMERICA, INC.
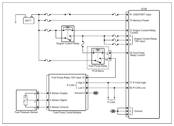
G13334790Courtesy of KIA MOTORS AMERICA, INC.
Inspection Condition (+) Probe (-) Probe Specification
Connector Terminal Connector Terminal
  1. Ignition "ON".
Fuel pump control module connector 10 (power) Chassis ground - B+
  1. Ignition "OFF".
  2. Disconnect the electrical connector(s) from the concerned component.
Fuel pump control module connector 4 (ground) Chassis ground - Approx. below 1Ω
  1. Ignition "OFF".
  2. Disconnect the electrical connector(s) from the concerned component.
Fuel pressure sensor connector 1 (power) Fuel pump control module connector 8 (power) Approx. below 1Ω
Fuel pressure sensor connector 2 (signal) Fuel pump control module connector 2 (signal) Approx. below 1Ω
Fuel pressure sensor connector 3 (ground) Fuel pump control module connector 3 (ground) Approx. below 1Ω

Good 

No Good