LEMON Manuals: Even more car manuals for everyone: 1960-2025
Home >> Kia >> 2022 >> Carnival EX >> Repair and Diagnosis >> Engine Performance >> System >> Engine Control System Diagnosis (2 Of 8) >> DTC P0160-00: O2 Sensor Circuit No Activity Detected (Bank 2/Sensor 2) >> Wiring Inspection >> Circuit Inspection
April 5, 2026: LEMON Manuals is launched! Read the announcement.

Circuit Inspection

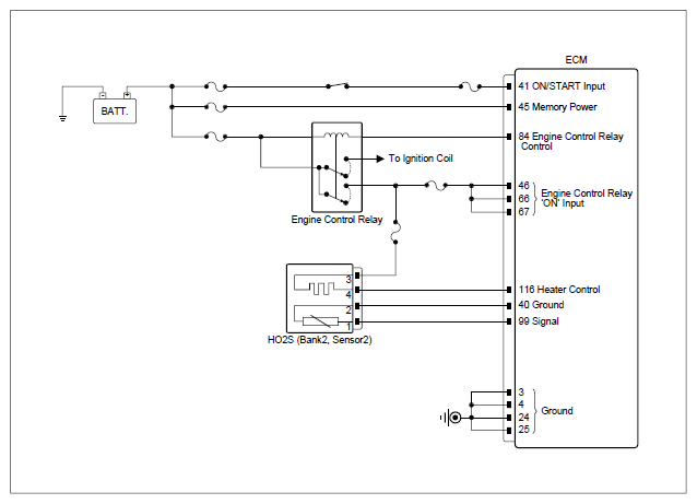
G14816587Courtesy of KIA MOTORS AMERICA, INC.
Inspection Condition (+) Probe (-) Probe Specification
Connector Terminal Connector Terminal
  1. Ignition "OFF".
  2. Disconnect the electrical connector(s) from the concerned component.
  3. Ignition "ON".
HO2S (Bank 2, Sensor 2) connector 1 (signal) Chassis ground - Approx. 0V
HO2S (Bank 2, Sensor 2) connector 2 (ground) Chassis ground - Approx. 0V
  1. Ignition "OFF".
  2. Disconnect the electrical connector(s) from the concerned component.
HO2S (Bank 2, Sensor 2) connector 1 (signal) Chassis ground - ∞ (infinity)Ω
HO2S (Bank 2, Sensor 2) connector 1 (signal) ECM connector 99 (signal) Approx. below 1Ω

Good 

No Good